ул.Симферопольская
дом 5, офис 9
Корзина
Корзина пуста
Что такое главная заземляющая шина. Главный заземляющий щит. Главный заземляющий щит
Главный заземляющий щит. Для чего нужна главная заземляющая шина?
Щит ГЗШ - главная заземляющая шина
Главная заземляющая шина (ГЗШ) – одна из важнейших составляющих устройства заземления, использующаяся для систем электроснабжения с мощностью до 1 кВ, соединяющая электропроводники и запускающая работу заземления и уравнивающая потенциалы.
Основные функции
- коммуникационные трубы из металла (водопроводные, газовые, канализационные и др.),
- металлические элементы сооружений,
- элементы вентиляционной системы,
- громоотводы,
- элементы главного проводника заземления.
Эта шина разделяет защитные проводники и соединяет проводящие ток составляющие:
Сфера применения
- Производственные объекты,
- Производственные цеха,
- Жилые дома,
- Общественные здания,
- ..другое.
Основные характеристики
- Степень защиты IP31, IP54
- Рабочая температура окруж. -45°С до +50°С
- Относ.влажность воздуха не более 80% при +20 °С
- Высота размещения до 200 м
- Группа механич. исполнения М2
- Установка вертикальная
Каталог и схемы ящика ГЗШ
Классификация устройств: ГЗШ-10, ГЗШ-21 и ГЗШ-8.
| Ящик ГЗШ-10 -1-10 | 340 | PE | Шина заземления; 3x25 10 присоединений | 265х310х120 | |
| Ящик ГЗШ-10 -3-10 | 625 | PE | Шина заземления; 4x40 10 присоединений | 265х310х120 | |
| Ящик ГЗШ-10 -3-20 | 625 | PE | Шина заземления; 4x40 10 присоединений | 265х310х120 | |
| Ящик ГЗШ-10 -4-10 | 860/870 | PE | Шина заземления; 5x50 10 присоединений | 265х310х120 | |
| Ящик ГЗШ-10 -5-10 | 1475/1525 | PE | Шина заземления; 50x10 10 присоединений | 265х310х120 | |
| Ящик ГЗШ-10-2-10 | 475 | PE | Шина заземления; 4x30 10 присоединений | 265х310х120 | |
| Ящик ГЗШ-21 -1-20 | 340 | PE | Шина заземления: 3x25 20 присоединений | 395х310х120 | |
| Ящик ГЗШ-21 -2-20 | 475 | PE | Шина заземления; 4x30 10 присоединений | 395х310х120 | |
| Ящик ГЗШ-21 -4-20 | 860/870 | PE | Шина заземления; 5x50 20 присоединений | 395х310х120 | |
| Ящик ГЗШ-21 -5-20 | 1475/1525 | PE | Шина заземления; 50x10 10 присоединений | 395х310х120 | |
| Ящик ГЗШ-8 -01-8 | 340 | PE | Шина заземления; 3x25 10 присоединений | 265х310х120 | |
| Ящик ГЗШ-8 -02-8 | 475 | PE | Шина заземления; 4x30 10 присоединений | 265х310х120 | |
| Ящик ГЗШ-8 -03-8 | 625 | PE | Шина заземления; 4x 40 10 присоединений | 265х310х120 |
Цены на ГЗШ
Наша компания осуществляет сборку щитового оборудования, как по готовым схемам, так и по индивидуальным.
При изготовлении мы учитываем все ваши потребности и пожелания.
Узнать больше информации по сотрудничеству можно по телефону 8 (8452) 707-791.
-
Оставьте ваш номер телефона и уточения по заказу
-
Наши специалисты сделают вам индивидуальное предложение
-
Вы оплачиваете заказ по выставленным счетам
-
Наши сотрудники осуществляют сборку оборудования
-
Вы принимаете свой заказ с гарантией
Не нашли модель на сайте? Мы обязательно поможем.Сделайте заявку на расчет вашей схемы!
Подробное описание
Чаще всего ГЗШ изготавливается из меди, однако встречаются и шины из стали. Алюминий здесь не применяется. Диаметр ГЗШ не должен быть больше диаметра защитного проводника и нулевого питающего кабеля. Шина должна расположиться таким образом, чтобы к ней был легкий доступ в случае подключения/отключения защитных проводников. ГЗШ должна иметь соединения не менее чем в пяти местах.
Шина заземления может располагаться внутри ВРУ, либо неподалеку от него. В случае ее внутреннего расположения подключайте к ней проводник заземления, который через шину соединяется с главной заземляющей. Электропроводность проводника должна равняться или быть больше электропроводности проводника зазем
les66.ru
Что такое главная шина заземления и где ее используют. Главная заземляющая шина
ГЗШ. Главная Заземляющая Шина | Электрика,Сантехника
>
Вступление
Здравствуй Уважаемый читатель сайта Elesant.ru. Тема сегодняшней статьи главная заземляющая шина (ГЗШ) в электрике частного дома. Назначение ГЗШ, установка, особенности соединений и материал для изготовления.
Назначение главной заземляющей шины (ГЗШ)
Главная заземляющая шина (ГЗШ)- важнейший элемент электрики частного дома. При системе электропитания TN-C-S ,которая является основной для электропитания частного сектора, необходимое разделение PEN проводника. А также повторное заземление нужно делать именно на главной заземляющей шине (ГЗШ)
Вообще, на главной заземляющей шине (ГЗШ) при системе TN-C-S сходятся все проводники от защитных систем дома. Это и заземляющий проводник, и проводники от системы уравнивания потенциалов и проводник от разрядника (ограничителя напряжения).
Установка главной заземляющей шины (ГЗШ)
Устанавливается главная заземляющая шина (ГЗШ) внутри вводно-распределительного устройства (ВРУ) или отдельно. При отдельной установке, главная заземляющая шина (ГЗШ) устанавливается в специальный корпус, напоминающий небольшой ящик.

Важно! Согласно ПУЭ (пункт 1.7.119) открытая установка ГЗШ возможна только в специальном помещение. Но даже в этом случае, место установки открытой ГЗШ должно быть огорожено от случайного прикосновения.
Если в доме несколько вводов электропитания, то на каждый ввод устанавливается отдельная главная заземляющая шина (ГЗШ). Также отдельно на каждую шину выводятся кабели от системы уравнивания потенциалов.
Соединения на главной заземляющей шины (ГЗШ)
Главным назначением, если можно так сказать, главной заземляющей шины (ГЗШ) является разделение PEN проводника кабеля электропитания.PEN проводник после разделки подсоединяется к заранее установленной ГЗШ.
class="eliadunit">Подсоединение производится при помощи болтов, шаб, гаек. Для фиксации болтового соединения ГЗШ желательно использовать гроверную шайбу (смотри фото). Все соединения на ГЗШ должны быть осуществлены болтовыми креплениями. Каждый кабель, подключаемый к ГЗШ должен иметь отдельное соединение.

Примечание: Болтовые соединения нужны для того чтобы в любой момент можно было отключить отдельно любой защитный кабель и произвести необходимые контрольные замеры (сопротивления изоляции, сопротивления растеканию тока и т.д.)
При установке внутри вводно-распределительного устройства (ВРУ) главная заземляющая шина (ГЗШ) устанавливается непосредственно на корпус ВРУ, и имеет с ним электропроводящий контакт. (Читайте подробно о комплектации ВРУ).
Рядом с ГЗШ устанавливается шина рабочего нуля(N).Шина N соединяется с главной заземляющей шиной (ГЗШ) на которой происходит разделение PEN проводника.

Материал для изготовления ГЗШ
Предпочтительным материалом для ГЗШ является медь. Возможно, изготовление ГЗШ из стали. Запрещено использование аллюминнивых шин для ГЗШ. Запрет аллюминия для шины, логично приводит к запрету использования аллюминевых наконечников для электрокабелей, подключаемых к ГЗШ.
©Elesant.ru
Нормативные ссылки
- ПУЭ,Правила устройства электроустановок,издание 7
- ГОСТ 121.030-81,Электробезопасность. Защитное заземление. Зануление
Другие статьи раздела: Электропроводка дома
>
elesant.ru
Шина заземления - применение, конструкция и расположение
При организации работы электрооборудования и электрической сети основным вопросом является безопасность системы. В основе такой системы находится главная заземляющая шина. В этой статье мы расскажем о технических особенностях заземления и о практических аспектах его установки.
Применение
Заземляющая шина применяется как составной элемент защитного контура при отводе линий электропередачи к многоквартирным домам и промышленным зданиям. Заземление выполняет функцию защиты человека и других живых организмов от воздействия тока при работающих электробытовых приборах. Шины используются в системах мощностью до 1000 В.

Шина призвана выступать соединительным элементом для множества проводников одновременно, а также обеспечивает работы всей заземлительной системы сооружения. На главную заземляющую шину (ГЗШ) возлагается функция выравнивания показателей потенциалов в электросети. Благодаря этому элементу, происходит разделение проводника и соединение контактов. Контакты же передают электрические разряды, что требуется для нормального функционирования отдельных систем в здании.
Конструкция
Система изготавливается из металла. В качестве конструкционных элементов могут выступать водопроводы, газопроводы и любые другие металлические трубы, а также канализационный колодец, стальные элементы здания. Нередко в целях заземления используются вентиляция и система кондиционирования воздуха.
Медь для шины заземления в бобинеСогласно Правилам устройства электроустановок (сокращенно — ПУЭ), заземлительные устройства могут быть не только стальными, но и медными. Причем медь — лучший вариант, поскольку этот металл отличается прекрасной электропроводимостью, слабо окисляется под воздействием напряжения, не подвержен ржавлению. Необходимо заметить, что сталь для изготовления шин заземления используется гораздо чаще, но связано это с ее более низкой ценой. Не рекомендуется изготовление заземляющих реек из алюминия, так как этот металл быстро коррозирует и характеризуется недостаточным сопротивлением.
Обратите внимание! Главная заземляющая шина характеризуется меньшей площадью сечения в сравнении с защитным проводом или нулем рабочего провода силовой линии.
Для шины PE в электрических установках до 1000 В сечение проводников должно быть разным в зависимости от металла. В случае с медным проводником сечение должно быть более 10 квадратных миллиметров, для алюминия этот показатель составляет 16 квадратных миллиметров, а для стали — 75 квадратных миллиметров.

Девятнадцатидюймовая шина заземления медная должна предусматривать участки для единовременного подключения 14 или 18 направляющих. Таким образом, на одной полосе будет от 14 до 18 крепежных болтов. Полоса чаще всего оснащается парой изоляторов и размещается в специальном шкафу (так называемом шкафу №19) и подключается к заземлительному контуру через ПВЗ провод. Девятнадцатидюймовая шина используется для стыковки контактов, сечение которых составляет 2,5 квадратных миллиметра.
Согласно требованиям ГОСТа, главная заземляющая шина должна иметь не менее пяти одновременных соединений.
Заземлительное устройство можно изготовить из стали с омеднением. Толщина листа — 14,2 миллиметра. Такой комплект будет стоить недешево, зато обретет все свойства, характерные для медных проводников.
Обратите внимание! Четырнадцати разъемов обычно достаточно для десяти и более квартир при условии равномерного распределения нагрузки.
Заземляющие шины выпускаются двух типов — REC-ET2-M и REC-ET. Первая модель закрепляется на специальных профилях в монт
xn--90adflmiialse2m.xn--p1ai
Заземление электроустановок: правила и основные требования
Отсутствие заземления электрооборудования или неправильное его выполнение может привести к производственному травматизму, выходу из строя приборов автоматизации или неправильной их работе, погрешности показаний измерительной техники.
Это происходит в результате пробоя изоляции между токоведущими частями и корпусом оборудования. В результате на корпусе появляется напряжение и протекает электрический ток, который может нанести травму человеку и привести к сбоям в работе электрических устройств. Чтобы этого избежать, часть установки, не находящуюся в нормальном состоянии под напряжением, соединяют с заземляющим устройством. Этот процесс называется заземлением.
Заземляющее устройство
Заземляющее устройство – система, состоящая из заземляющего контура и проводников, обеспечивающих безопасное прохождение тока через землю. Исходя из Правил Устройства Электроустановок, естественными заземлителями могут быть:
- Каркасы зданий (железобетонные или металлические), которые соединены с землей.
- Защитная металлическая оплетка проложенных в земле кабелей (кроме алюминиевой)
- Трубы скважин, водопроводов, проложенных в земле (кроме трубопроводов с горючими жидкостями, газами, смесями)
- Опоры высоковольтных линий электропередач
- Неэлектрифицированные железнодорожные пути (при условии сварного соединения рельсов)
Для искусственных заземлителей, по правилам, используют неокрашенные стальные прутки (с диаметром более 10 мм), уголок (с толщиной полки более 4 мм), листы (с толщиной более 4 мм и сечением в разрезе более 48 мм2). Для создания системы с искусственным заземлением возле сооружения вкапывают или вбивают в землю металлические пруты, уголок или листы с указанными выше толщиной и сечением, но длиной не менее 2,5 м. Затем их сваркой соединяют между собой с помощью прутковой или листовой стали. От поверхности земли данная конструкция должна находиться более 0,5 м. По требованиям, контур заземления здания должен иметь не менее двух соединений с заземлителем.В зависимости от назначения, заземление оборудования делится на два типа: защитное и рабочее. Защитное заземление служит для безопасности персонала и предотвращает возможность поражения человека электрическим током вследствие случайного прикосновения к корпусу электроустановки. Защитному заземлению подлежат корпуса электроустановок и электрических машин, которые не закреплены на «глухозаземленных» опорах, электрошкафы, металлические ящики распределительных щитов, металлорукав и трубы с силовыми кабелями, металлические оплетки силовых кабелей.Рабочее заземление используют в том случае, когда для производственной необходимости в случае повреждения изоляции и пробоя на корпус требуется продолжение работы оборудования в аварийном режиме. Таким образом, например, заземляют нейтрали трансформаторов и генераторов. Также, к рабочему заземлению относят подключение к общей сети заземления молниеотводов, которые защищают электроустановки от прямого попадания молний.
Согласно Правилам Устройства Электроустановок обязательно подлежат заземлению электрические сети с номинальным напряжением свыше 42 В при переменном токе и свыше 110 В при постоянном.
Классификация систем заземления
Различают следующие системы заземления:
- Система ТN (которая в свою очередь разделяется на подвиды TN-C, TN-S, TN-C-S)
- Система TT
- Система IT
Буквы в названиях систем взяты из латиницы и расшифровываются так:Т – (от terre) земляN – (от neuter) нейтральC – (от combine) объединятьS – (от separate) разделятьI – (от isole) изолированныйПо буквам в названиях систем заземления можно узнать, как устроен и заземлен источник питания, а также принцип заземления потребителя.
Система ТN
Это наиболее известная и востребованная система заземления. Основным ее отличием является наличие «глухозаземленной» нейтрали источника питания. Т.е. нулевой провод питающей подстанции напрямую соединен с землей.TN-C – подвид системы заземления, которая характеризуется объединенным заземляющим и нейтральным нулевым проводником. Т.е. они идут одним проводом от питающего трансформатора до потребителя. Отсутствие отдельного РЕ (защитного нулевого) проводника в данной системе однозначно является недостатком. Система TN-C широко использовалась в советских зданиях и непригодна для современных новостроек, т.к. в ней отсутствует возможность выравнивания потенциалов в ванной комнате.TN-S – система, в которой защитный проводник системы уравнивания потенциалов и рабочий нулевые проводники идут раздельными проводами от источника питания до электроустановки. Эта система только обретает широкое применение при подключении зданий к электроснабжению. Является наиболее безопасной. К недостаткам можно отнести ее дороговизну, т.к. требуется монтаж дополнительного проводника.TN-C-S – система, в которой нулевой защитный проводник и нейтральный рабочий идут совмещенным проводом, а разделяются на входе в распределительный щит. По требованиям Правил Устройства Электроустановок для этой системы необходимо дополнительное заземление.
Система TT
Это система, в которой питающая подстанция и электроустановка потребителя имеют различные, независимые друг от друга заземлители. Областью применения системы ТТ являются мобильные объекты, имеющие электроустановки потребителей. К ним относят передвижные контейнеры, ларьки, вагончики и т.д. В большинстве случаев для потребителя в системе ТТ применяется модульно-штыревое заземление.
Система IT
Система, в которой источник питания разделен с землей через воздушное пространство или соединен через большое сопротивление, т.е. изолирован. Нейтраль в этой системе соединена с землей через сопротивление большой величины. Система IT используется в лабораториях и медицинских учреждениях, в которых функционирует высокоточное и чувствительное оборудование.
Требования к заземлению электродвигателя
Согласно требованиям и правилам установленный электродвигатель перед пуском должен быть заземлен. Исключением являются те случаи, в которых корпус электродвигателей установлен на металлическую опору, соединенную с землей через металлоконструкцию здания или через проводник заземлителя. В остальных случаях корпус электродвигателя должен быть соединен проводом с контуром заземления здания, выполненного из полосы металла при помощи сварки.Это является рабочим заземлением. В противном случае при нарушении изоляции между обмоткой двигателя или токопроводом и корпусом электродвигателя защитное устройство не сработает и не отключит питание. А двигатель продолжит работу.Каждая электрическая машина должна иметь индивидуальное соединение с заземлителем. Последовательное соединение электродвигателей с контуром заземления запрещено, т.к. при нарушении одного из соединений с заземлителем, вся цепь будет изолирована от земли. Для установки защитного заземления, необходимо наличие дополнительного заземляющего проводника в силовом кабеле, один конец которого подключают к клеммной коробке электродвигателя, а другой к корпусу электрошкафа управления двигателем. Электрошкаф предварительно должен быть соединен с землей. В случае пробоя между токопроводом и этим заземляющим проводником образуется ток короткого замыкания, который разомкнет защитное или коммутирующее устройство (тепловое или токовое реле, защитный автомат).Сечение заземляющего проводника, удовлетворяющее требованиям Правил Устройства Электроустановок приведено в таблице 1:
Таблица 1
| Сечение фазных проводников, мм2 | Наименьшее сечение защитных проводников, мм2 |
| S≤16 | S |
| 16 < S≤35 | 16 |
| S>35 | S/2 |
Сечение фазных проводников рассчитывается по токовой нагрузке потребителя.
Требования к заземлению сварочных аппаратов
Как и для любого технологического оборудования, потребляющего электрический ток, для сварочных аппаратов существуют правила подключения заземления. Помимо необходимости заземления корпуса сварочной электроустановки с контуром заземления здания, заземляют один вывод вторичной обмотки аппарата, а ко второму, соответственно подключается электрододержатель. При этом вывод вторичной обмотки, требующей заземления, должен быть обозначен графически и иметь стационарное выведенное крепление, для удобного соединения с заземлителем. Переходное сопротивление контура заземления не должно превышать 10 Ом. В случае необходимости увеличения электрической проводимости контура заземления, увеличивают контактную площадь соединения.
Последовательное соединение сварочных аппаратов с заземлителем также запрещено. У каждого аппарата должно быть отдельное соединение с заземленной магистралью здания.Заземление электроустановок потребителей – это не формальность, а необходимая техническая мера безопасности, которая позволит не только стабилизировать работу оборудования, но и спасти жизнь персоналу, обслуживающему и контактирующему с ним.
electry.ru
заземление щитов управления
1. Если к ГЗШ присоединяется ЗУ (полоса 40х4 мм), тоесть выполняется повторное заземление, то сопротивление соеденительных проводников не должно превышать 0,5 Ом, само сопротивление заземляющего устройства не нормируется, а значит при этом не учитывается проводимость грунта.2. Если сечение совмещенного РЕN-проводника питающего кабеля 240 мм.кв, то согласно гл.1.7 ПУЭ, сечение ГЗШ должно быть не менее РЕ (PEN)-проводника питающей линии, тоесть ≥240 мм2. Если ВРУ имеет 2 ввода питающих кабельных вводов которые по II категории загружены и в условиях послеаварийного режима возможна перегрузка, PEN-проводники должны выбираться с учетом возможных перегрузок с учетом величины 3-й гармоники и сечение РЕ (РЕN)-проводника следует проверять по условию термической стойкости к току наибольшего возможного тока однофазного короткого замыкания в электроустановке. В качестве такого наибольшего тока может быть принят ток однофазного КЗ. Для расчета сечения проводника по термической стойкости следует пользоваться формулой, приведенной в 1.7.138 ПУЭ: «1.7.138 Переріз РЕ-провідника має також бути не меншим від мінімального значення, яке визначають за формулою: S ≥ √І 2 х t/ k, (1.7.де S мінімальний перерiз РЕ-провідника, мм; І- струм короткого замикання, який забезпечує час вимикання пошкодженого кола захисним апаратом відповідно до табл 1.7.1 або час, не більший ніж 5 с відповідно до 1.7.82, А; t- час спрацьовування захисного пристрою, с; k- коефіцієнт, значення якого залежить від матеріалу РЕ-провідника, його ізоляції, початкової та кінцевої температур. Значення К для РЕ-провідників за різних умов наведено в табл. 1.7.7-1.7.11. Якщо в результаті розрахунку отримано нестандартний переріз, як мінімальний перерїз РЕ-провідника необхідна приймати його найближче більше стандартне значення».Таким образом учитывая, что кабели марки ВВГ, согласно ПУЭ допускають 15% перегруз в послеаварийном режиме в течении не более 6 часов, сечения медной шины ГЗШ размером 40х5 мм в рассматриваемом случае будет достаточно.Соединительный проводник системы уравнивания потенциалов между 2-мья ГЗШ ВРУ с обособленным вводом согласно ПУЭ должен иметь сечение (с эквивалентной проводимостью), равным сечению меньшей из попарно соединяемых главных заземляющих шин. Если соединение выполняется стальной полосой, то сечение ее должно быть эквивалентно проводимости меньшей ГЗШ из другого материала (Сu).eom.com.ua
Заземление - щит - Большая Энциклопедия Нефти и Газа, статья, страница 1
Заземление - щит
Cтраница 1
Заземление щитов и пультов должно производиться присоединением заземляющего проводника к их заземляющей скобе сваркой или болтом. В последнем случае скоба и проводник должны быть зачищены до металлического блеска и смазаны бескислотным вазелином. [1]
Заземление щитов, пультов и стативов, расположенных внутри помещений, обеспечивается приваркой заземляющего проводника к раме Р или присоединением pro к болту, крепящему оборудование к раме. [3]
Заземление щитов и пультов выполняют присоединением заземляющего проводника к их заземляющей скобе сваркой или болтом. При соединении болт и проводник должны быть зачищены до металлического блеска и смазаны бескислотным вазелином. Для надежного электрического контакта между панелями многопанельного щита, подлежащего заземлению, места под головки болтов и гаек, соединяющих панели, должны быть зачищены и смазаны вазелином. [5]
Для заземления щита в одной из его ножек предусмотрено отверстие для установки болта 7 заземления. Щит крепят к основании) через отверстия 8 в каждой из его ножек. [6]
Для заземления щитов и приборов в помещениях управления должна быть введена заземляющая магистраль. Ее материал и сечение определяются электрической частью проекта. [7]
Для заземления щита в одной из его ножек предусмотрено отверстие для установки болта 9 заземления. Щит крепят к основанию чер ез отверстия 8 в каждой из его ножек. [9]
При заземлении щита питания и однофазных приборов управления заземление электроприемника ( магнитного пускателя, кнопки управления) должно осуществляться третьим проводом. [10]
При решении вопросов заземления щитов и пультов необходимо руководствоваться также общими требованиями к заземлению электроустановок согласно ПУЭ, изложенными в разд. [11]
Узлы и места заземления щитов комплектуют резьбовыми соединениями ( болтами, винтами, шпильками и гайками) с приспособлениями против самооткручивания - пружинными шайбами или контргайками. Резьбовые соединения должны иметь защитное металлическое покрытие, не допускающее их коррозию. [12]
Соединение отдельных элементов блоков и каркасов выполняется таким образом, что при общем заземлении щита обеспечивается устойчивое заземление каждого элемента. В окобе заземления на панели ( имеется шесть винтов, а на сборке зажимов - три. [13]
В спецификации к этим чертежам указывают материалы и детали, необходимые для установки и заземления щитов и пультов, закладные части и детали крепления. [14]
Во взрывоопасных помещениях необходимо заземлять все щиты и пульты, к которым подведен переменный или постоянный ток, независимо от его напряжения. Для заземления щитов и пультов следует присоединить заземляющий проводник к заземляющей скобе этих щитов и пультов сваркой или болтом. В последнем случае скоба и проводник должны быть очищены до металлического - блеска и смазаны бескислотным вазелином. [15]
Страницы: 1 2
www.ngpedia.ru
| Вдоволь использовать электрическую энергию в различных собственных целях земное население людей научилось в не столь далёком прошлом, однако, уже за такой короткий промежуток времени, человечество без электричества вряд ли сможет выжить. Для нынешнего поколения, дальнейшая жизнь при отключении света – это в прямом смысле слова конец света. Именно по всем вышеизложенным причинам, в процессе строительства любого объекта, следует позаботиться о благоустройстве надёжной, бесперебойной, а главное безопасной для жизни человека электрической сети. Когда ваш дом, или другое жилое помещение, образно говоря – объект, уже осуществили подключение к электричеству, то согласно правилам монтажа электропроводки, вводный силовой кабель или самонесущий изолированный провод необходимо подключать к распределительному щиту. Внешне распределительный щит выглядит в виде прямоугольной коробки, которая изготавливается из металла, но лучше и безопасней конечно когда щит выполнен из невозгораемого пластикового материала. Внутри распределительного щита монтируют специальные элементы, такие как счётчик электроэнергии, автоматические выключатели, УЗО (устройства защитного отключения) срабатывающие в момент утечки тока. В целях повышенной пожарной безопасности, существуют модели щитов, оснащённые молниеотводом, подробнее о громоотводах смотрите соответствующую статью громоотвод и молниезащита. Распределительные щиты в основном разделяются на два вида – это щиты, встраиваемые и щиты навесные. Теперь давайте внесём немного подробностей и ясности. Встраиваемые щиты в основном принято использовать в офисных зданиях, промышленных предприятиях, в частных домах и так далее, исходя из целей использования и места установки распределительного щита. Встраиваемый вариант установки хорош своим внешним видом (меньше выпирает из стены), но его установка очень трудоемка, по сравнению со встраиваемыми. Внешний каркас изготовлен из самозатухающего материала, в основном это пластик, не пропускающий ток. Современные разработки специальных аксессуаров позволяют сконструировать модель встраиваемого распределительного щита любой сложности. Пожалуй, нет смысла перечислять все технические характеристики распределительных щитов, ибо их очень много, а с основными мы уже ознакомились. Навесной распределительный щит представляет собой железный либо пластиковый шкаф, применяемый для распределения не скрытой, а открытой проводки в любом помещении, здании, и отличается не кропотливым и простым способом крепления. Система внутренней автоматики в принципе аналогична встраиваемым щитам. С целью облегчения установки оборудованных шкафов под данные щиты используются унифицированные приспособления – это коннекторы серии PG, служащие для надёжной защиту кабельного ввода, рейки на которых необходимо крепить сам щит, клемные шины, позволяющие удобно осуществлять соединение проводников, а так же гребенчатые шинки предназначенные для соединения модульных автоматов. Навесной распределительный щит оснащён боковыми заглушками, которые изолируют открытые части токоведущих компонентов. Если заглянуть в корпус шкафа изнутри, то мы увидим защитные декоративные панельки, способствующие полному закрытию монтажного окна. Виды распределительных щитов: 1. Главные распределительные щиты (ГРЩ) - предназначены для приема распределения и учета электрической энергии напряжением 380/220В трехфазного переменного тока с частотой 50 Гц в сетях с глухозаземленной нейтралью, с системой заземления TN-S, TN-C-S, для защиты линий при перегрузках и коротких замыканиях, а также для нечастых оперативных включений и отключений. 2. Вводное распределительное устройство (ВРУ) - предназначены для приема распределения и учета электрической энергии трехфазного переменного тока частотой 50 Гц напряжением 380/220В в сетях с глухозаземленной нейтралью, с системой заземления TN-S, TN-C-S для защиты линий при перегрузках и коротких замыканиях, а также для нечастых оперативных включений и отключений. 3. Устройство автоматического ввода резерва (АВР) - предназначены для автоматического переключения на резерв цепей освещения и силового электрооборудования, а также автоматики при исчезновении напряжения нормального питания. Переключение потребителей на нормальное питание осуществляется автоматически – при восстановлении напряжения питания. 4. Щиты магистральные распределительныей (ЩМР) - предназначены для приема распределения и учета электрической энергии напряжением 380/220В трехфазного переменного тока с частотой 50 Гц в сетях с глухозаземленной нейтралью, с системой заземления TN-S, TN-C-S, для защиты линий при перегрузках и коротких замыканиях. 5. Пункты распределительные (ПР) - предназначены для приема и распределения электрической энергии напряжением 380/220В трехфазного переменного тока с частотой 50 в сетях с глухозаземленной нейтралью, с системой заземления TN-S, TN-C-S, для защиты линий при перегрузках и коротких замыканиях. 6. Щиты бесперебойного питания (ЩБП) - предназначены для питания устройств вычислительной техники, систем управления непрерывными процессами, КИП и автоматики, систем безопасности, систем связи, и сигнализации, медицинского оборудования и других приемников электроэнергии 1 категории особой группы электроснабжения. 7. Щиты собственных нужд (ЩСН) - предназначен для питания оборудования обеспечения функционирования энергообъекта (освещение, обогрев, приводы выключателей, маслонасосы и др.) переменным током напряжением 380/220В частотой 50Гц. 8. Щитки силовые (ЩС) - предназначены для распределения электрической энергии, нечастых оперативных включений и отключений электрических цепей, защиты от перегрузок и токов короткого замыкания осветительных сетей трехфазного переменного тока напряжением 380/220В частотой 50Гц. 9. Щитки освещения (ЩО) - предназначены для распределения электрической энергии, нечастых оперативных включений и отключений электрических цепей, защиты от перегрузок и токов короткого замыкания осветительных сетей трехфазного переменного тока напряжением 380/220В частотой 50Гц. 10. Шкафы управления (ШУ) - предназначены для оперативного управления энергетическим оборудованием жилых, общественных зданий и объектов энергетики. На этом, полагаю краткое ознакомление с видами встраиваемых и навесных щитов можно подвести к финалу. А финал, скорее всего такой, раз вы нашли, а тем более и зашли на наш сайт, то наверняка у вас имеется необходимость в установке распределительного щита в доме, коттедже, на даче, или любом другом объекте. В случае если я не ошибся, то с уверенностью заявляю, что вы обратились по адресу. Специалисты нашей компании прошли строгий отбор, абсолютно все являются дипломированными профессионалами. Наши электрики обращаются с электричеством на «ты». Мы всегда отвечаем за свои слова и действия. Даём гарантию на все выполненные электромонтажные работы. |
malahit-irk.ru
Заземлитель, как основной элемент устройства заземления
Обустроенное заземление встречается сегодня практически в каждом доме. И это неудивительно, так как оно обеспечивает безопасную работу электрооборудования и непосредственно проводки. В этой статье поговорим о таком важном элементе, как заземлитель.
Известно, что без такого элемента конструкция заземления не может существовать, и уж тем более выполнять поставленные задачи.
Что такое заземлитель? Общее описание
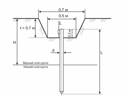
Заземлитель — металлический проводник или армированный штырь, вкопанный на нужную глубину в грунт. Он может работать одиночно или в комплексе с другими электродами, например, в треугольном контуре. Перед этим элементом стоит основная функция контактировать с высоковольтным электричеством, однако нельзя судить о его оптимальной функциональности, если не определено сопротивление.

Горизонтальный и вертикальный заземлители
Обратите внимание! Сопротивление заземлителя должно быть очень низким. Только так можно рассчитывать на полноценную защиту домашней электрической цепи.
Определившись с вопросом, что называется заземлителем перейдем к изучению его видов.
Виды заземлителей: тонкости их использования
Каждый вид электрода имеет конкретное назначение, которое мы и рассмотрим:
- Глубинный заземлитель — конструкция, предусматривающая сложный монтаж, но имеющая массу преимуществ. Из особенностей такого вида электродов, можно выделить, что их монтаж занимает значительно меньше места, чем стандартный контур заземления. Доказана эффективность этого проводника в местах с наименьшим удельным сопротивлением почвы. На сегодняшний день, в нормативных актах прописывается, что можно применять подобный элемент в подвале и цокольном этаже.
Важно! Проводить монтаж глубинного заземлителя стоит исключительно при помощи буровых установок.
- Искусственный заземлитель — очередная конструкция из металла, предназначенная специально для устройства заземления дома. Зачастую такие материалы изготавливают на производстве и реализуют в специализированных торговых точках. Сюда включаются оцинкованные изделия или материалы, покрытые медным опылением. Отличным примером искусственного электрода выступает модульное заземление.
- Естественный заземлитель — это металлическая конструкция, выступающая с любым внешним видом. Обычно в качестве электродов используются конструкции из металла или стали. Важно соблюдение структуры материала. Идеально, если на нем нет рифлений и засечек, так как эти нюансы увеличивают показатель сопротивления. Такой вид заземлителя обязательно соединяется с общей системой защиты не менее, чем двумя проводниками.

Современный заземлитель
Для домашних условий идеальным решением остается использование вертикальных заземлителей, чего не скажешь о промышленном направлении. Здесь, наоборот целесообразна установка анодного электрода. Его применяют для защиты трубопроводов и подземных сооружений. По сути материал достаточно надёжный и устойчив к воздействию коррозии.
Особенности электролитического заземления
Данная разновидность заземления эффективно используется в местах песчаной, вечномерзлой и каменистой почвы. Также в условиях, где грунт имеет высокое удельное сопротивление и требуется специальное оборудование для установки обычных электродов.
Важно! Используя стандартные электроды для устройства контура заземления в песчаной и других типах почвы с высоким сопротивлением, вам придется установить их множество (порядка 100).
Немного о достоинствах электролитического заземления

Полушаровый заземлитель
На самом деле, как и штыревое заземление, электролитическое обладает некоторыми весьма важными достоинствами.
- Этот тип электродов обеспечивает минимальное сопротивление грунту, примерно до 10 раз меньше в отличие от традиционных заземлителей.
- Выполняется из специальной смеси, предшествующей образованию коррозии.
- Имеет длительный срок службы. Если стальной электрод заземления служит около 5-7 лет, то электролитический порядка 50.
- Не требует большой глубины для установки, достаточно вмонтировать заземлитель на полметра.
Принцип работы электрода
Главным элементом данного типа заземления считается труба Г-образной формы. Она вбивается на определенную глубину, которая предварительно заполняется смесью из минеральных солей. Вещество впитывает воду из окружающего грунта, создавая при этом выщелачивание, вследствие чего образуется электролит. Затем этот же электрод проникает в почву, увеличивая ее токопроводимые свойства. Удельное сопротивление снижается, и как следствие уменьшается промерзание почвенного слоя.
Часто после окончания изготовления проекта, происходит подтаивание грунта рядом с строением. К сожалению, это очень опасно для фундамента и грозит осадкой дома. Поэтому электрики рекомендуют при проектировании электролитического заземления учитывать фактор повреждения зданий, а, следовательно, требуют отдалятся от мест застройки.
В условиях сильного промерзания почвы принято использовать горизонтальные электроды. Они являются доступными и простыми в монтаже. Однако, при любой возможности работать буровым оборудованием, лучше всего установить вертикальный заземлитель.

Заземлитель с омедненным наконечником
Как проверить электрод?
Заземлители электролитического типа требуют регулярной проверки на работоспособность. Проводят его обслуживание однажды в 2-3 года. Здесь важно определить превратилась ли смесь в электролит. Если электролит образовался, проводят замену смеси, то есть добавляют новый состав солей. Аналогично проверяется каждый электрод, если он не один. Таким образом, установка будет служить еще несколько лет.
Важно! Достаточно заправить электрод минеральными солями высокого качества, и он прослужит порядка 10-15 лет. Но пренебрегать регулярным обслуживанием нельзя.
Групповой и одиночный заземлитель: характеристики
Каждый отдельный тип заземлителя либо электрода имеет свои характеристики, которые важно учитывать при проектировании контура заземления. Рассмотрим каждый из них с подобранностями:
- лидирующее место в использовании занимает групповой заземлитель. Считается, что его применение зарегистрировано гораздо чаще, чем использование одиночного. Однако, оба типа имеют схожие характеристики. Тем не менее количественная характеристика приспособлений имеет несколько иные закономерности. Ответим вопрос, почему так часто используют сложные (групповые) заземлители. Мы выяснили, что перед непосредственной реализацией проекта находится сопротивление материалов контура. Считается, чем больше будет установленных электродов, тем ниже будет сопротивление уравнителей потенциала.

Групповой заземлитель схема
- Одиночный электрод несколько уступает групповому, несмотря на аналогичные черты. Характеристики устройства должны учитываться для того, чтобы работа контура по обеспечению защиты человека от поражения электрическим током была оптимальной для конкретных условий. Течение тока через одиночный заземлитель сопровождается возникновением электрических потенциалов.

Одиночный заземлитель схема
Смотрите схемы заземлителей с условными обозначениями ниже.
Что такое коррозия и какие несет последствия для заземлителей?
Еще со школьной скамьи, а именно из уроков географии мы знаем, что коррозия — это природное разрушительное воздействие на металлические предметы и их оболочки, которые длительно находятся в земле. Чаще всего такой дефект материала происходит в местах повышенной влажности.
Обычно коррозия возникает после 9-10 лет использования металлической конструкции, и несет определенные последствия для заземляющего устройства. Например, большие повреждения контура заземления плюс наличие ржавчины влечет за собой увеличение сопротивления.
Важно! В зоне, где имеется риск скорейшего возникновения коррозии, целесообразно использовать материалы для сооружения контура заземления из нержавеющей стали.
Случается, когда коррозия проникает и под оболочку заземляющего проводника, ведущего к основному электрическому щитку или трансформатору. В подобной ситуации опытные электрики рекомендуют использовать антикоррозийную смазку. Иногда места соединений обрабатывают жидкой изоляцией. Еще чаще детали контура заземления подвергаются коррозии при соединении металлов различной валентности. Но и на этот случай есть решение, — использовать специальные биметаллические соединители.
Обратите внимание, степень агрессивности почвенной среды прямым образом влияет на возникновение коррозии в соединениях заземляющего устройства. Поэтому, еще на момент монтажа защитного оборудования следует обдумать методы защиты от разрушений металлических проводников.
Вас могут заинтересовать:
prokommunikacii.ru










