ул.Симферопольская
дом 5, офис 9
Корзина
Корзина пуста
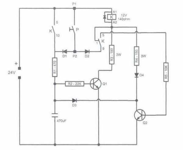
Делаем бистабильное реле своими руками. Реле напряжения схема своими руками
Делаем бистабильное реле своими руками
Бистабильное реле - это устройство, которое предназначено для управления контактами. Отличие от обычной проводной модели заключается в том, что модификация подходит для параллельных кнопочных выключателей. Управлять устройством можно с разных точек.
Стандартное реле включает в себя блок контактов, модулятор и набор транзисторов. Конденсаторы в реле применяются отрицательной направленности, и они отличаются по емкости. При необходимости можно самостоятельно собрать реле для простого выключателя.

Устройство с катушкой
Сделать бистабильное реле своими руками пользователь способен на базе проводного резистора. При этом модулятор подбирается чаще всего на три конденсатора, а расширитель используется с низкой проводимостью. Управление бистабильным реле с катушкой происходит за счет контроллера.
Также стоит отметить, что сборку стоит начинать с заготовки тиристора. Катушка подбирается на 24 В. Для преодоления импульсных помех в цепи применяются только переменные преобразователи. Отрицательное сопротивление у реле обязано составлять не менее 30 Ом.

Делаем импульсную модификацию
Импульсное бистабильное реле можно собрать на простом проводном резисторе. Модулятор потребуется расширительного типа, и сопротивление у него должно составлять не менее 40 Ом. Специалисты говорят о том, что конденсаторы припаивать следует в последовательном порядке. Особое внимание при сборке реле надо уделить контактам на замыкающей пластине. Довольно часто модулятор подбирается с обкладкой. В таком случае проводимость резистора не должна опускаться ниже 4 мк. Таким образом, номинальное напряжение в устройстве будет поддерживаться на уровне 50 В.
Модель с микроконтроллером
Устройства с микроконтроллерами являются очень распространенными. Они подходят для кнопочных выключателей. Также устройства активно применяются в коммутаторах. Специалисты рекомендуют для сборки использовать только емкостные резисторы. Всего для реле потребуется три конденсатора. Номинальное напряжение составляет в среднем 24 В. При проводимости 2 мк резистор должен выдавать перегрузку 10 А.
Модулятор для реле разрешается использовать строчного типа. Как правило, выпускаются модификации на три выхода. Управление бистабильным реле (микроконтроллером) происходит благодаря переключателю. Также стоит отметить, что существуют устройства с проводными стабилизаторами. Показатель сопротивления у элементов не должен превышать 45 Ом.
Реле на 5 В
Реле на 5 В собирается с открытым модулятором. Стабилизатора для модификации потребуется проводного типа, а перегрузка у него обязана составлять около 4 А. В среднем сопротивление у реле данного типа не превышает 50 Ом. Довольно часто устанавливаются именно контакторные расширители. Для генерации сигналов хорошо подходят дипольные конденсаторы. При сборке важно заготовить четыре фильтра. Катушка применяются низкой проводимости. Специалисты говорят о том, что обкладка должна находиться в начале цепи. Номинальное напряжение у реле должно составлять около 30 В.
Устройства на 10 В
Реле на 10 В производятся для контакторов замыкающего типа. Резисторы для устройств подходят регулируемого типа с перегрузкой от 2 А. Если говорить про простые модификации, то катушку можно смело использовать с подкладкой. Также надо отметить, что для сборки реле потребуется только два конденсатора.
Проводимость у элементов должна составлять не ниже 5 мк. Если номинальное напряжение сильно возрастает, рекомендуется проверить сопротивление. Расширители у модификаций используются волнового типа. Отрицательное сопротивление элементов максимум доходит до 55 Ом. В некоторых случаях используются именно фазовые резисторы. У них низкий параметр перегрузки, однако они хорошо справляются с импульсными помехами.
Модификации на 12 В
Бистабильное реле (12 вольт, автомобильное) подходит для контакторов проводного типа. Часто оно используются в системах управления светом. Катушки для модификаций подходят разной частотности и диаметра. Если доверять специалистам, то резисторы разрешается подбирать операционного типа с открытой обкладкой. При этом модуляторы применяются только на тиристоре, а проводимость у элемента будет составлять около 3 мк.
Трансиверы под реле подбираются отрицательной направленности. Номинальное напряжение в устройствах может сильно понижаться. Происходит это вследствие возрастания нагрузки на конденсаторах. Для повышения параметра напряжения используются тетроды, которые работают от преобразователей. Фильтры под них устанавливаются с проводимость от 10 мк.

Устройства для детекторов
На рынке часто встречается предназначенное для детекторов бистабильное реле. Управление устройствам происходит за счет контроллера. Модели для детекторов можно сделать самостоятельно. С этой целью заготавливается только один резистор. Проводимость элемента обязана составлять не менее 12 мк при перегрузке 2 А. Рабочая частота реле данного типа равняется примерно 20 Гц. Если рассматривать простую модификацию, то расширитель устанавливается на 13 В. Контакторы припаиваются за резистором. Также надо отметить, что потребуется цепь трансивера с проводимостью около 5 мк.
Если использовать элементы высокой чувствительности, то есть риск повышения напряжения. В данном случае целесообразнее устанавливать коммутируемые тиристоры. Они продаются с изоляторами и без них. Чаще всего допустимый уровень перегрузки у элементов равняется 4 А. Работают они от преобразователей дипольного типа. Контакты размашется устанавливать только перед модулятором.

Модель для датчика движения
Устройства для датчиков движения делаются очень просто. Модули в данном случае разрешается использовать волнового типа с проводимостью от 4 мк. При этом номинальное напряжение должно составлять около 30 В. Трансиверы для устройств подбираются на проводных резисторах. Если рассматривать схему с дипольными проводниками, то понадобится расширитель. Также надо отметить, что специалисты советуют не использовать проводниковые резисторы с низкой чувствительностью. У них малый порог проводимости, они быстро перегреваются. Конденсаторы для реле подбираются на 4 пФ. Данной емкости достаточно для быстрой генерации импульсов.

Устройства для датчиков освещения
Бистабильное реле для датчиков разрешается делать на базе двух модулей высокой проводимости. В первую очередь при сборке заготавливается резистор. Номинальное напряжение у него должно составлять 15 В. Также стоит позаботиться о цепи конденсаторов с высокой емкостью. Тиристор понадобится только один. Специалисты говорят о том, что улучшить стабильность работы элемента можно благодаря использованию переменных блокираторов.
Указанные устройства продаются с обкладками и без них. Рабочая частота у них колеблется в районе 40 Гц. При этом сопротивление в цепи не опускается ниже 55 Ом. Расширители устанавливаются в начале цепи и должны находиться перед контактами. Для проверки проводимости можно использовать тестер.

Модификации с переменным модулятором
Бистабильное реле с переменным модулятором хорошо подходит для детекторов разной направленности. Большинство модификаций выпускается с открытыми резисторами. Чтобы самостоятельно собрать реле, целесообразнее использовать фазовый расширитель. Модулятор в устройстве устанавливается сразу за контактами. Также надо отметить, что существуют модификации на проводных расширителях. У них малый порог проводимости. Однако они могут работать в цепи переменного тока. Стабилизатор для реле можно подбирать на проводниковой основе. Номинальное напряжение у элемента должно составлять не менее 24 В.
Применение контактных модуляторов
Бистабильное реле с контактными модуляторами используются в цепях постоянного и переменного тока. Многие модификации выпускаются с резисторами открытого типа и проводимостью на отметке 5 мк. При этом номинальное напряжение у них составляет только 14 В. Модулятор в устройство устанавливается за резистором. Также надо отметить, что для сборки потребуется только один конденсатор.

Если рассматривать простое реле, то элемент целесообразнее применять емкостного типа на 3 пФ. Проводимость у него не должна составлять 15 мк. Стабилизаторы в устройствах данного типа устанавливаются с фазовым переключателем. При номинальном напряжении 10 В модель в среднем выдает 30 Гц.
Расширители используются разной частотности. Специалисты говорят о том, что можно брать только открытые фильтры с проводимостью 5 мк. Однако надо учитывать тот факт, что у них высокие тепловые потери. На конденсаторы с данными фильтрами будет оказываться большая нагрузка.
fb.ru
Электронный регулятор напряжения бортовой сети авто
Чт 6 Дек 2012 Просмотров: 17 150 Рубрика: Схема
Электромеханический, в котором с помощью вибрирующих контактов изменяется ток в обмотке возбуждения генератора переменного тока. Работа вибрирующий контактов обеспечивается таким образом, чтобы с ростом напряжения бортовой сети уменьшался ток в обмотке возбуждения. Однако вибрационные регуляторы напряжения поддерживают напряжение с точностью 5-10%, из-за этого существенно снижается долговечность аккумулятора и освети тельных ламп автомобиля.Электронные регуляторы напряжения бортовой сети типа Я112 , которые в народе называют «шоколадка». Недостатки этого регулятора известны всем — низкая надежность, обусловленная низким коммутационным током 5А и местом установки прямо на генераторе, что ведет к перегреву регулятора и выходу его из строя. Точность поддержания напряжения остается, несмотря на электронную схему, очень низкой и составляет 5% от номинального напряжения.
Вот поэтому я решил сделать устройство, которое свободно от вышеизложенных недостатков. Регулятор прост в настройке, точность поддержания напряжения составляет 1% от номинального напряжения. Схема, приведенная на рис.1 прошла испытания на многих автомобилях, в том числе и грузовых в течение 2-х лет и показала очень хорошие результаты.
Рис.1.
Принцип работы
При включении замка зажигания напряжение +12В подается на схему электронного регулятора. Если напряжение, поступающее на стабилитрон VD1 с делителя напряжения R1R2 недостаточно для его пробоя, то транзисторы VT1, VT2 находятся в закрытом состоянии, а VT3 — в открытом. Через обмотку возбуждения протекает максимальный ток, выходное напряжение генератора начинает расти и при достижении 13,5 — 14,2В возникает пробой стабилитрона.
Благодаря этому открываются транзисторы VT1, VT2, соответственно транзистор VT3 закрывается, ток обмотки возбуждения уменьшается и снижается выходное напряжение генератора. Снижения выходного напряжения примерно на 0,05 — 0,12В достаточно, чтобы стабилитрон перешел в запертое состояние, после чего транзисторы VT1, VT2 закрываются, а транзистор VT3 открывается и через обмотку возбуждения снова начинает протекать ток. Этот процесс непрерывно повторяется с частотой 200 — 300 Гц, которая определяется инерционностью магнитного потока.
Конструкция
При изготовлении электронного регулятора, следует обратить особое внимание на отвод тепла от транзистора VT3. На этом транзисторе, работающем в ключевом режиме, 1ем не менее выделяется значительная мощность, поэтому его следует монтировать на радиаторе. Остальные детали можно разместить на печатной плате, прикрепленной к радиатору.
Таким образом, получается очень компактная конструкция. Резистор R6 должен быть мощностью не менее 2Вт. Диод VD2 должен иметь прямой ток около 2А и обратное напряжение не менее 400В, лучше всего подходит КД202Ж, но возможны и другие варианты. Транзисторы желательно применить те, которые указаны на принципиальной схеме, особенно VT3. Транзистор VT2 можно заменить на КТ814 с любыми буквенными индексами. Стабилитрон VD1 желательно установить серии КС с напряжением стабилизации 5,6-9В, (типа КС156А, КС358А, КС172А), при этом увеличится точность поддержания напряжения.
Настройка
Правильно собранный регулятор напряжения не нуждается в особой настройке и обеспечивает стабильность напряжения бортовой сети примерно 0,1 — 0,12В, при изменении числа оборотов двигателя от 800 до 5500 об/мин. Проще всего настройку производить на стенде, состоящем из регулируемого блока питания 0 — 17В и лампочки накаливания 12В 5-10Вт. Плюсовой выход блока питания подключают к клемме “+” регулятора, минусовой выход блока питания подключают к клемме «Общ”, а лампочку накаливания подключают к клемме «Ш» и клемме «Общ” регулятора.
Настройка сводится к подбору резистора R2, который изменяют в пределах 1-5 кОм, и добиваются порога срабатывания на уровне 14,2В. Это и есть поддерживаемое напряжение бортовой сети. Увеличивать его выше 14,5В нельзя, поскольку при этом резко сократится ресурс аккумуляторов.
xn----7sbbil6bsrpx.xn--p1ai
Питание реле пониженным напряжением
радиоликбез
Часто радиолюбителям “попадают под руку" реле с рабочим напряжением 24 В, которые обычно срабатывают при подаче на них напряжения более 13,5 В. Следовательно, об их применении при UПИТ=12 В не может быть и речи. Но такие реле можно заставить срабатывать и при 12 В. Как же это осуществить?

Рис. 1
Смотрим схему на рис.1 [1]. Когда тумблер SA1 с двумя группами контактов находится в нижнем (по схеме) положении, напряжение питания 12 В заряжает конденсатор С1. При переключении тумблера в верхнее положение источник питания и заряженный конденсатор соединяются последовательно, и напряжение, прилагаемое к обмотке реле К1, на короткое время становится равным 24 В. Реле срабатывает. После разрядки конденсатора реле удерживается напряжением 12 В (напряжение срабатывания реле обычно заметно больше минимального напряжения, при котором его якорь еще удерживается). Ток удержания реле проходит через диод VD2. Диод VD1 гасит ЭДС самоиндукции, возникающую на обмотке реле при его срабатывании.
Как показывает опыт, некоторые экземпляры 24-вольтовых реле удерживаются в положении с притянутым якорем при снижении напряжения питания до 5 В. С помощью этой схемы можно включать до 4 катушек реле параллельно. Применение такой схемы включения реле, вдобавок, увеличивает экономичность устройства, в котором имеются реле, поскольку снижает нагрев катушек реле.
В этом устройстве можно применить различные кремниевые диоды, например, типов Д226, КД105, КД226, КД202 и т.п.

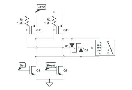
Рис. 2
Следующая схема (рис.2) предназначена для переключения 12-вольтового реле напряжением 6 В [2]. В исходном состоянии транзисторы VT1 и VT2 закрыты, а конденсатор С1 заряжается до напряжения питания (6 В) по цепи R3-C1-VD2. С приходом управляющего напряжения (UBX>3 В при указанных сопротивлениях R1 и R2) VT1 открывается, соединяя положительную обкладку С1 с общим проводом и одновременно открывая VT2, который соединяет верхний (по схеме) вывод обмотки реле К1 с шиной питания +6 В. Таким образом, реле оказывается (при заряженном С1) под напряжением 12 В и срабатывает.
После разряда С1 напряжение на реле снижается до 6 В, которого, однако, достаточно для поддержания его в рабочем (включенном) состоянии. Диод VD2 в момент включения заперт напряжением заряженного конденсатора С1, который подключается через открытый транзистор параллельно ему, но в обратной полярности, препятствуя прохождению тока через диод. Получается, что эта цепь питания реле разорвана практически до полного разряда С1. По мере разряда С1 напряжение на нем стремится к нулю, диод VD2 открывается и обеспечивает ток удержания реле при напряжении питания 6 В. Диод VD1 — защитный. Он осуществляет защиту транзистора VT2 от бросков напряжения самоиндукции, возникающего при переключении реле К1.
Транзистор VT1 можно заменить на КТ315Г, КТ3102А...Е и т.п., VT2 — на КТ361Г, 3107А...Е. Последний транзистор следует выбирать с учетом максимального тока через обмотку реле. Диоды заменяются на КД522 и аналогичные.

Рис. 3
В принципе, реле можно питать и еще более низким напряжением, например, составляющим 1/3 от номинального [3]. На рис.3 приведена схема такого устройства. В положении SA1 “Выключено" от батареи GB1 напряжением 8 В через резисторы R2, R3 и диоды VD2, VD3 заряжаются одновременно два конденсатора С1 и С2. Эквивалентная схема для режима заряда показана на рис.4. Следует учесть, что заряд конденсаторов в этой схеме продолжается примерно минуту. При переводе тумблера в положение “Включено” напряжения с двух заряженных конденсаторов складываются с напряжением питания (8+8+8=24 В), и реле с Uр=24 В срабатывает. Эквивалентная схема для этого режима приведена на рис.5. Примерно через минуту конденсаторы разряжаются, но якорь реле остается притянутым, так как напряжение питания будет приложено к обмотке реле через диоды VD1, VD2 и VD3.

Рис. 4, 5
Диоды в этой схеме можно использовать 1N4148, КД522 и другие аналогичные. При напряжении батареи 9 В надежность срабатывания и удержания 24-вольтового реле возрастает. Время срабатывания реле после включения SA1 (рис.З) порядка минуты, что определяет область применения этого устройства.
Литература
1. K.Sunamura, JF10ZL. How to use 24V-relay with 12V-Vcc. — http:// www.intio.or.jp/jf1 Ozl/24vr.htm
2. R. Graiam. Схема включения реле пониженным напряжением. — Elector Electronics, July 1999, p.88 (http ://rf atn n. ru/s5/rl-x599. html)
3. Kazuhiro Sunamura, JF10ZL. How to drive 24 volt relay with 8 V battery. — "http://www.intio.or.jp/jf10zl/8vrelay.htm">http://www.intio.or.jp/jf10zl/8vrelay.htm
Смотрите также: Схема выделения сигналов ЭДС самоиндукции
radiopolyus.ru
Реле регулятор напряжения. | Фирма дедушки Ашота
Как проверить в домашних условиях.
Реле регулятор напряжения сложный электронный прибор. Как проверить реле регулятор описано в этой статье.

Реле регулятор выполняет в автомобиле и мотоцикле функцию стабилизации бортового напряжения в заданных пределах, в зависимости от частоты вращения ротора генератора, температуры окружающей среды и электрической нагрузки. Он регулирует уровень зарядки аккумуляторной батареи и поддерживает нормальную работу всех бортовых электроприборов. Регулятор измеряет напряжение на аккумуляторной батарее и включает или отключает напряжение, питающее обмотку возбуждения генератора. Такой принцип работы реле регулятора во всех схемах автомобилей и мотоциклов с генераторами переменного тока. Причиной неустойчивой работы реле регулятора может быть повреждение или окисление контактов в измерительной цепи регулятора, так как эта цепь проходит от аккумулятора на клемму (15, 61,ВЗ, В, БВ) регулятора через клеммы предохранителей, замок зажигания и другие контактные соединения. Перебои может вызвать и плохой контакт между корпусом регулятора напряжения и массой автомобиля. Поэтому первое, что нужно проверить – это напряжение на этой клемме (15, 61,ВЗ, В, БВ – в зависимости от типа регулятора), при включенном зажигании. Напряжение не должно отличаться от напряжения, замеренного на плюсовой клемме аккумулятора. Этого недостатка были лишены электронные, не заслуженно забытые регуляторы советских времен РН-3, РН-4, РН-5. В этих регуляторах был специальный измерительный вывод, который соединялся непосредственно с плюсовой клеммой аккумулятора.
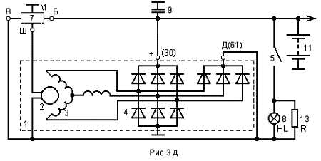
На схеме генератора мы видим три силовые обмотки Y1, Y2,Y3, в которых и генерируется переменный ток, и трехфазный силовой выпрямитель, который преобразует переменный ток в постоянный. Но на выводах силовых обмоток напряжения не будет, если не подключить постоянное напряжение от аккумулятора на обмотку возбуждения. По схеме это осуществляется через замок зажигания на вывод 15 генератора и клемму “Б” реле регулятора. Через клемму “Ш” реле регулятор в нужный момент соединяет другой вывод обмотки возбуждения с массой (т.е. минусовым проводом аккумулятора). Обмотка возбуждения расположена на роторе генератора и является электромагнитом постоянного тока. При вращении ротор создает вращающееся электромагнитное поле, которое пересекает проводники неподвижных силовых обмоток статора и индуцирует в них переменный ток с частотой вращения ротора.

Для проверки реле регулятора его нужно снять с генератора вместе со щеткоткодержателем (если он встроен в генератор, например Г-222 или 17.3702) и собрать схему для проверки.

Лучше всего для проверки использовать блок питания постоянного тока с регулируемым напряжением от 10 до 15В. Для контроля напряжения необходим вольтметр постоянного тока с пределом измерения до 15В и контрольная лампочка 12В 3-21 Вт с патроном. Так как у большинства автолюбителей регулируемого блока питания не окажется, можно использовать зарядное устройство для 12В аккумуляторов с емкостью 55-60Аh с возможностью регулировки зарядного тока. Но тут также есть свои подводные камни. Дело в том, что у современных зарядных устройств с защитой, на выходе не будет напряжения, пока не подключен аккумулятор. В таком случае придется подключить аккумулятор, как на схеме.
Вместо блока питания можно использовать два аккумулятора 12В, включенные последовательно, но это должны быть обслуживаемые аккумуляторы с перемычками между банками сверху аккумулятора. Напряжение каждой банки 2В, так что регулировка получится ступеньчатая -12В-14В-16В. Аккумуляторы можно взять старые, у которых не хватает емкости крутить стартер, но есть возможность зажечь лампочку.
Можно просто соединить десять больших круглых батареек по 1,5В последовательно. В этом случае шаг регулировки будет 1,5В. Минус подключаем в схему, а плюс – один конец проводника подключается в схему, а другой переключается между восьмой, девятой и десятой батарейками. Но контрольная лампочка, в этом случае, должна быть не больше 12В 3 Вт.
Собираем схему и подаем сначала 12В на реле регулятор, лампочка должна загореться. Начинаем повышать напряжение. Если вольтметр показывает от 12 до 14.5В лампочка должна гореть. При повышении напряжения выше 14, 5В лампочка должна погаснуть. Реле регулятор исправен. Если лампочка не загорается от 12 до14.5В или не гаснет при напряжении больше 14,5В реле регулятор можно выбросить.
Проверять реле регулятор можно без разборки щеточного узла. Лампочка в этом случае подключается к графитовым щеткам.

Методика проверки такая же. Интегральные реле регуляторы ремонту не подлежат и если лампочка при напряжении больше14.5В светится в половину накала или мигает – регулятор неисправен и подлежит замене.
Есть еще один очень важный момент, который нужно знать. Реле регулятор – это электронный выключатель, который в нужный момент подает напряжение на обмотку возбуждения генератора. Только в одних реле регуляторах (в интегральных «шоколадках») этот выключатель переключает соединение «минуса» аккумулятора с выводом обмотки возбуждения , а «плюс» приходит напрямую на другой вывод. А в реле регуляторах РР310Б, РР310В, РР380, РР362 переключается «плюс», а минус подключается на обмотку возбуждения в генераторе – провод со щетки на массу. Эти реле регуляторы устанавливаются на борту автомобиля, вне генератора и от выводов «Ш» и «ВЗ» (в РР380 выводы «15» плюсовой регулируемый и «67» минус) идут проводники на щеточный узел генератора. Поэтому при проверке реле регуляторов РР310Б, РР310В, РР380, РР362 и подобных лампочка подключатся между клеммами «Ш» или «67» и «минусом аккумуляторной батареи.

Преимуществом бортовых реле регуляторов является доступность и меньшие трудозатраты на проверку и замену. Если бортовой реле регулятор вышел из строя в пути, его можно временно заменить лампочкой 12В 21св. Просто провода «15» и «67» отключают от неисправного регулятора и подключают к ним лампочку. Таким образом, можно в темное время суток добраться до гаража и не вывести из строя аккумулятор. Таким же образом можно проверить работоспособность генератора. Если при подключении лампочки вместо регулятора, при работающем двигателе снять клемму с аккумулятора и двигатель продолжает работать, генератор исправен.
Во всех мотоциклетных реле регуляторах также один вывод обмотки возбуждения подключен к «массе», а на другой подается «плюс» через регулятор. Поэтому схема для проверки такая же, как у автомобильных «бортовых» (последняя схема статьи).
Как видите, в проверке реле регулятора напряжения ничего сложного нет. Нужно только определиться какой регулятор у Вас стоит, и по какой схеме его проверять. Советую проверять новые, только что приобретенные регуляторы. Качество очень низкое. При проверке новых из десяти четыре оказались не рабочими. Это касается и «шоколадок» и бортовых. Если будут вопросы или сложности – обращайтесь, постараюсь помочь.
Похожие посты
Также на эту тему Вы можете почитать:
vecher.com.ru
Схема реле регулятора напряжения
Реле-регуляторы напряжения широко используются в системе электрооборудования автомобилей. Его основной функцией является поддержание нормального значения напряжения при изменяющихся режимах работы генератора, электрических нагрузках и температуре. Дополнительно схема реле регулятора напряжения обеспечивает защиту элементов генератора при аварийных режимах и перегрузках. С ее помощью происходит автоматическое включение силовой цепи генератора в бортовую сеть.
Принцип работы реле-регулятора
Конструкции регуляторов могут быть бесконтактными транзисторными, контактно-транзисторными и вибрационными. Последние как раз и являются реле-регуляторами. Несмотря на разнообразие моделей и конструкций, у этих приборов имеется единый принцип работы.

Значение напряжения генератора может изменяться в зависимости от того, с какой частотой вращается его ротор, какова сила нагрузочного тока и магнитного потока, который создает обмотка возбуждения. Поэтому в реле содержатся чувствительные элементы различного назначения. Они предназначены для восприятия и сравнивания напряжения с эталоном. Кроме того, выполняется регулирующая функция по изменению силы тока в обмотке возбуждения, если напряжение не совпадает с эталонной величиной.
В транзисторных конструкциях стабилизация напряжения выполняется с помощью делителя, подключенного к генератору через специальный стабилитрон. Для управления током используются электронные или электромагнитные реле. Автомобиль постоянно меняет режим работы, соответственно, это влияет на частоту вращения ротора. Задачей регулятора является компенсация этого влияния путем воздействия на ток обмотки.
Такое воздействие может осуществляться по-разному:
- В регуляторе вибрационного типа происходит включение в цепь обмотки и выключение резистора.
- В двухступенчатой конструкции обмотка замыкается на массу.
- В бесконтактном транзисторном регуляторе выполняется периодическое включение и отключение обмотки в питающую цепь.
В любом случае,на ток оказывает влияние включенное и выключенное состояние элемента переключения, а также время нахождения в таком состоянии.
Схема работы реле регулятора
Реле регулятор служит не только для стабилизации напряжения. Это устройство необходимо с целью уменьшения тока, воздействующего на аккумулятор, когда автомобиль находится на стоянке. Ток в управляющей цепи прерывается, и электронное реле оказывается выключенным. В результате, ток перестает поступать в обмотку.

В некоторых случаях в выключателе зажигания падает напряжение, оказывая влияние и на регулятор. Из-за этого возможны колебания стрелок приборов, мигание осветительных и сигнальных ламп. Чтобы избежать подобных ситуаций применяется более перспективная схема реле-регулятора напряжения. К обмотке возбуждения дополнительно подключен выпрямитель, в состав которого входит три диода. Плюсовой вывод выпрямителя соединяется с обмоткой возбуждения. Аккумуляторная батарея на стоянке разряжается под действием малых токов, проходящих через цепь регулятора.
Работоспособность генератора контролируется реле, у которого контакты находятся в нормальном замкнутом состоянии. Через них поступает питание для контрольной лампы. Она загорается при включенном замке зажигания, а после запуска двигателя гаснет. Это происходит под действием генераторного напряжения, разрывающего замкнутые контакты реле и отключающего лампы от цепи. Горение лампы во время работы двигателя означает неисправность генераторной установки. Существуют разные схемы подключения, и каждая из них применяется индивидуально, в тех или иных типах автомобилей.
Как проверить реле регулятор
electric-220.ru











