ул.Симферопольская
дом 5, офис 9
Корзина
Корзина пуста
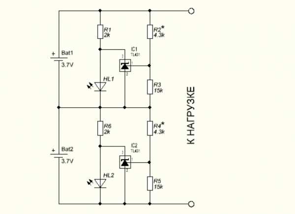
Схема индикатора заряда аккумулятора на светодиодах. Схема контроля заряда аккумулятора 12 вольт
Делаем схему контроля зарядки аккумулятора для авто
В этой статье хочу рассказать, как сделать автоматический контроль за зарядным устройством, то есть, чтобы ЗУ само отключалось по завершению зарядки, а при снижении напряжения на АКБ опять включалось зарядное устройство.
Меня попросил мой отец сделать данный девайс, так как гараж находится далековато от дома и бегать проверять, как там себя чувствует зарядка, поставленная заряжать аккумулятор, не очень удобно. Конечно можно было купить данный девайс на Али, но после введения оплаты за доставку, плата подорожала и поэтому было решено сделать самоделку своими руками. Если кто хочет купить готовую плату, то вот ссылка ..http://ali.pub/1pdfut
Поискал плату по инету в формате .lay, так и не нашёл. Решил делать всё сам. А программой Sprint Layout’ познакомился впервые. поэтому о многих функциях просто не знал (например шаблон), рисовал всё вручную. Хорошо, что плата не такая уж и большая, получилось всё нормально.
Дальше перекись водорода с лимонной кислотой и травление.
Все дорожки пролудил и просверлил отверстия.
Дальше пайка деталей,
Ну вот и готовый модуль
Схема для повторения;
Плата в формате .lay скачать…
Всего вам доброго…
xn--100--j4dau4ec0ao.xn--p1ai
Простой индикатор заряда и разряда аккумулятора
Данный индикатор заряда аккумулятора основан на регулируемом стабилитроне TL431. С помощью двух резисторов можно установить напряжение пробоя в диапазоне от 2,5 В до 36 В.
Приведу две схемы применения TL431 в качестве индикатора заряда/разряда аккумулятора. Первая схема предназначена для индикатора разрядки, а вторая для индикатора уровня заряда.
Единственная разница - это добавление n-p-n транзистора, который будет включать какой-либо сигнализатор, например, светодиод или зуммер. Ниже приведу способ вычисления сопротивления R1 и примеры на некоторые напряжения.
Схема индикатора разряда аккумулятора
Стабилитрон работает таким образом, что начинает проводить ток при превышении на нем определенного напряжения, порог которого мы можем установить с помощью делителя напряжения на резисторах R1 и R2. В случае индикатора разряда, светодиодный индикатор должен гореть, когда напряжение батареи меньше, чем необходимо. Поэтому в схему добавлен n-p-n транзистор.

Как можно видеть регулируемый стабилитрон регулирует отрицательный потенциал, поэтому в схему добавлен резистор R3, задачей которого является включение транзистора, когда TL431 выключен. Резистор этот на 11k, подобранный методом проб и ошибок. Резистор R4 служит для ограничения тока на светодиоде, его можно вычислить с помощью закона Ома.
Конечно, можно обойтись и без транзистора, но тогда светодиод будет гаснуть, когда напряжение упадет ниже выставленного уровня - схема ниже. Безусловно, такая схема не будет работать при низких напряжениях из-за отсутствия достаточного напряжения и/или тока для питания светодиода. Данная схема имеет один минус, который заключается в постоянном потреблении тока, в районе 10 мА.
Схема индикатора заряда аккумулятора
В данном случае индикатор заряда будет гореть постоянно, когда напряжение больше, чем то, которые мы определили с помощью R1 и R2. Резистор R3 служит для ограничения тока на диод.

Пришло время для того, что всем нравится больше всего - математики
Я уже говорил в начале, что напряжение пробоя может изменяться от 2,5В до 36В посредством входа "Ref". И поэтому, давайте попытаемся кое-что подсчитать. Предположим, что индикатор должен загореться при снижении напряжении аккумулятора ниже 12 вольт.
Сопротивление резистора R2 может быть любого номинала. Однако лучше всего использовать круглые числа (для облегчения подсчета), например 1к (1000 Ом), 10к (10 000 Ом).
Резистор R1 рассчитаем по следующей формуле:
R1=R2*(Vo/2,5В - 1)
Предположим, что наш резистор R2 имеет сопротивление 1к (1000 Ом).
Vo - напряжение, при котором должен произойти пробой (в нашем случае 12В).
R1=1000*((12/2,5) - 1)= 1000(4,8 - 1)= 1000*3,8=3,8к (3800 Ом).
Т. е. сопротивление резисторов для 12В выглядят следующим образом:
R1= 3,8к
R2=1к
А здесь небольшой список для ленивых. Для резистора R2=1к, сопротивление R1 составит:
- 5В – 1к
- 7,2В – 1,88к
- 9В – 2,6к
- 12В – 3,8к
- 15В - 5к
- 18В – 6,2к
- 20В – 7к
- 24В – 8,6к
Для низкого напряжения, например, 3,6В резистор R2 должен иметь бОльшее сопротивление, например, 10к поскольку ток потребления схемы при этом будет меньше.
Источник
www.joyta.ru
Простейший индикатор уровня заряда батареи
Самое удивительное то, что схема индикатора уровня заряда аккумуляторной батареи не содержит ни транзисторов, ни микросхем, ни стабилитронов. Только светодиоды и резисторы, включенные таким образом, что обеспечивается индикация уровня подведенного напряжения.Схема индикатора
Работа устройства основывается на начальном напряжении включения светодиода. Любой светодиод — это полупроводниковый прибор, который имеет граничную точку напряжения, только превысив которую он начинает работать (светить). В отличии от лампы накаливания, которая имеет почти линейные вольтамперные характеристики, светодиоду очень близка характеристика стабилитрона, с резкой крутизной тока при увеличении напряжения.Если включить светодиоды в цепь последовательно с резисторами, то каждый светодиод начнет включаться только после того, как напряжение превысит сумму светодиодов в цепи для каждого отрезка цепи в отдельности. Порог напряжения открытия или начала загорания светодиода может колебаться от 1,8 В до 2,6 В. Все зависит от конкретной марки.В итоге, каждый светодиод загорается только после того, как загорелся предыдущий.Сборка индикатора уровня заряда батареи
Схему я собрал на универсальной монтажной плате, спаяв вывода элементов между собой. Для лучшего восприятия я взял светодиоды разных цветов.Такой индикатор можно сделать не только на шесть светодиодов, а к примеру, на четыре.Использовать индикатор можно не только для аккумулятора, но для создания индикации уровня на музыкальных колонках. Подключив устройство к выходу усилителя мощности, параллельно колонке. Тем самым можно отслеживать критические уровни для акустической системы.Возможно найти и другие применения этой, по истине, очень простой схемы.
Смотрите видео работы и сборки индикатора уровня
sdelaysam-svoimirukami.ru
Индикатор окончания заряда аккумулятора на светодиодах

Зачем следить за состоянием аккумулятора?
Автомобильный аккумулятор состоит из шести последовательно соединённых аккумуляторных батарей с напряжением питания 2,1 — 2,16В. В норме АКБ должен выдавать 13 — 13,5В. Нельзя допускать значительного разряда аккумуляторной батареи, поскольку при этом падает плотность и, соответственно, повышается температура промерзания электролита.
Чем выше износ аккумулятора, тем меньшее время он удерживает заряд. В тёплое время года это не критично, а вот зимой забытые во включённом состоянии габаритные огни к моменту возвращения способны полностью «убить» аккумулятор, превратив содержимое в кусок льда.
В таблице можно увидеть температуру промерзания электролита, в зависимости от степени заряженности агрегата.
| Плотность электролита, мг/см. куб. | Напряжение, В (без нагрузки) | Напряжение, В (с нагрузкой 100 А) | Степень заряда АКБ, % | Температура замерзания электролита, гр. Цельсия |
| 1110 | 11,7 | 8,4 | 0,0 | -7 |
| 1130 | 11,8 | 8,7 | 10,0 | -9 |
| 1140 | 11,9 | 8,8 | 20,0 | -11 |
| 1150 | 11,9 | 9,0 | 25,0 | -13 |
| 1160 | 12,0 | 9,1 | 30,0 | -14 |
| 1180 | 12,1 | 9,5 | 45,0 | -18 |
| 1190 | 12,2 | 9,6 | 50,0 | -24 |
| 1210 | 12,3 | 9,9 | 60,0 | -32 |
| 1220 | 12,4 | 10,1 | 70,0 | -37 |
| 1230 | 12,4 | 10,2 | 75,0 | -42 |
| 1240 | 12,5 | 10,3 | 80,0 | -46 |
| 1270 | 12,7 | 10,8 | 100,0 | -60 |
Критическим считается падение уровня заряда ниже 70%. Все автомобильные электроприборы потребляют не напряжение, а ток. Без нагрузки даже сильно разряженный аккумулятор может показывать нормальное напряжение. Но при низком уровне, во время запуска двигателя, будет отмечаться сильная «просадка» напряжения, что является тревожным сигналом.
Своевременно заметить приближающуюся катастрофу возможно лишь в том случае, когда непосредственно в салоне установлен индикатор. Если во время работы автомобиля он постоянно сигнализирует о разрядке – пора ехать на СТО.
Какие существуют индикаторы
Многие АКБ, особенно необслуживаемые, имеют встроенный датчик (гигрометр), принцип работы которого основан на измерении плотности электролита.
Этот датчик контролирует состояние электролит и ценность его показателей относительна. Не очень удобно по несколько раз залазить под капот автомобиля, что бы проконтролировать состояние электролита в разных режимах работы.

Для контроля состояния АКБ значительно удобнее электронные приборы.
Виды индикаторов заряда аккумуляторной батареи
В автомагазинах продаётся множество таких устройств, различающихся дизайном и функционалом. Фабричные приборы условно делятся на нескольких типов.
По способу подключения:
- к разъёму прикуривателя;
- к бортовой сети.
По способу отображения сигнала:
- аналоговые;
- цифровые.
Принцип работы у них одинаков, определение уровня заряда АКБ и отображение информации в наглядном виде.
Принципиальная схема индикатораКак сделать индикатор заряда аккумулятора на светодиодах?
Существуют десятки разнообразных схем контроля, но результат они выдают идентичный. Подобное устройство возможно собрать самостоятельно из подручных материалов. Выбор схемы и комплектующих зависит исключительно от ваших возможностей, фантазии и ассортимента ближайшего магазина радиотоваров.
Вот схема для понимания как работает индикатор заряда аккумулятора на светодиодах. Такую портативную модель можно собрать «на коленке» за несколько минут.

Д809 – стабилитрон на 9В ограничивает напряжение на светодиодах, а на трёх резисторах собран сам дифференциатор. Такой светодиодный индикатор срабатывает на силу тока в цепи. При напряжении 14В и выше сила тока достаточно для свечения всех светодиодов, при напряжении 12-13,5В светятся VD2 и VD3, ниже 12В — VD1.
Более продвинутый вариант при минимуме деталей можно собрать на бюджетном индикаторе напряжения — микросхеме AN6884 (KA2284).
Схема led индикатора уровня заряда АКБ на компараторе напряжения

Схема работает по принципу компаратора. VD1 – стабилитрон на 7,6В, он служит в качестве эталонного источника напряжения. R1 – делитель напряжения. При первоначальной настройке он выставляется в такое положение, чтобы при напряжении 14В светились все светодиоды. Напряжение, поступающее на входы 8 и 9, сравнивается через компаратор, а результат дешифруется на 5 уровней, зажигая соответствующие светодиоды.
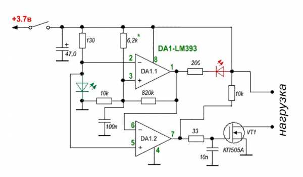
Контроллер зарядки АКБ
Что бы отслеживать состояние аккума во время работы зарядного устройства, делаем контроллер заряда АКБ. Схема устройства и используемые компоненты максимально доступны, в то же время обеспечивают полный контроль над процессом подзарядки батарей.
Принцип работы контроллера следующий: пока напряжение на аккумуляторе ниже напряжения заряда – горит зелёный светодиод. Как только напряжение сравняется, открывается транзистор, зажигая красный светодиод. Изменение резистора перед базой транзистора меняет уровень напряжения, необходимого для открытия транзистора.
Это универсальная схема контроля, которую можно использовать как для мощных автомобильных аккумуляторов, так и для миниатюрных литиевых батареек-аккумуляторов.
Понравилась статья? Расскажите о ней! Вы нам очень поможете:)
svetodiodinfo.ru
Как сделать индикатор заряда аккумулятора на светодиодах?
Успешный пуск автомобильного двигателя во многом зависит от состояния заряда аккумулятора. Регулярно проверять напряжение на клеммах с помощью мультиметра – неудобно. Гораздо практичнее воспользоваться цифровым или аналоговым индикатором, расположенным рядом с приборной панелью. Простейший индикатор заряда аккумулятора можно сделать своими руками, в котором пять светодиодов помогают отслеживать постепенный разряд либо заряд батареи.
Принципиальная схема
Рассматриваемая принципиальная схема индикатора уровня заряда представляет собой простейшее устройство, отображающее уровень заряда аккумулятора (АКБ) на 12 вольт.
Её ключевым элементом является микросхема LM339, в корпусе которой собрано 4 однотипных операционных усилителя (компаратора). Общий вид LM339 и назначение выводов показан на рисунке.
Прямые и инверсные входы компараторов подключены через резистивные делители. В качестве нагрузки используются индикаторные светодиоды 5 мм.
Диод VD1 служит защитой микросхемы от случайной смены полярности. Стабилитрон VD2 задаёт опорное напряжение, которое является эталоном для будущих измерений. Резисторы R1-R4 ограничивают ток через светодиоды.
Принцип работы
Работает схема индикатора заряда аккумулятора на светодиодах следующим образом. Застабилизированное с помощью резистора R7 и стабилитрона VD2 напряжение 6,2 вольт поступает на резистивный делитель, собранный из R8-R12. Как видно из схемы между каждой парой этих резисторов формируются опорные напряжения разного уровня, которые поступают на прямые входы компараторов. В свою очередь, инверсные входы объединены между собой и через резисторы R5 и R6 подключены к клеммам аккумуляторной батарее (АКБ).
В процессе заряда (разряда) аккумулятора постепенно изменяется напряжение на инверсных входах, что приводит к поочередному переключению компараторов. Рассмотрим работу операционного усилителя OP1, который отвечает за индикацию максимального уровня заряда АКБ. Зададим условие, если заряженный аккумулятор имеет напряжение 13,5 В, то последний светодиод начинает гореть. Пороговое напряжение на его прямом входе, при котором засветится этот светодиод, рассчитаем по формуле:UOP1+ = UСТ VD2 – UR8,UСТ VD2 =UR8+ UR9+ UR10+ UR11+ UR12 = I*(R8+R9+R10+R11+R12)I= UСТ VD2 /(R8+R9+R10+R11+R12) = 6,2/(5100+1000+1000+1000+10000) = 0,34 мА,UR8 = I*R8=0,34 мА*5,1 кОм=1,7 ВUOP1+ = 6,2-1,7 = 4,5 В
Это означает, что при достижении на инверсном входе потенциала величиной более 4,5 вольт компаратор OP1 переключится и на его выходе появится низкий уровень напряжения, а светодиод засветится. По указанным формулам можно рассчитать потенциал на прямых входах каждого операционного усилителя. Потенциал на инверсных входах находят из равенства: UOP1- = I*R5 = UБАТ – I*R6.
Печатная плата и детали сборки
Печатная плата изготавливается из одностороннего фольгированного текстолита размером 40 на 37 мм, которую можно скачать здесь. Она предназначена для монтажа DIP элементов следующего типа:
- резисторы МЛТ-0,125 Вт с точностью не менее 5% (ряд Е24)R1, R2, R3, R4, R7, R9, R10, R11– 1 кОм,R5, R8 – 5,1 кОм,R6, R12 – 10 кОм;
- диод VD1 любой маломощный с обратным напряжением не ниже 30 В, например, 1N4148;
- стабилитрон VD2 маломощный с напряжением стабилизации 6,2 В. Например, КС162А, BZX55C6V2;
- светодиоды LED1-LED5 – индикаторные типа АЛ307 любого цвета свечения.
Данную схему можно использовать не только для контроля напряжения на 12 вольтовых аккумуляторах. Пересчитав номиналы резисторов, расположенных во входных цепях, получаем светодиодный индикатор на любое желаемое напряжение. Для этого следует задаться пороговыми напряжениями, при которых будут включаться светодиоды, а затем воспользоваться формулами для пересчёта сопротивлений, приведенные выше.
Читайте так жеledjournal.info
Схемы индикаторов разряда li-ion аккумуляторов для определения уровня заряда литиевой батареи (например, 18650)
Что может быть печальнее, чем внезапно севший аккумулятор в квадрокоптере во время полета или отключившийся металлоискатель на перспективной поляне? Вот если бы можно было бы заранее узнать, насколько сильно заряжен аккумулятор! Тогда мы могли бы подключить зарядку или поставить новый комплект батарей, не дожидаясь грустных последствий.
И вот тут как раз рождается идея сделать какой-нибудь индикатор, который заранее подаст сигнал о том, что батарейка скоро сядет. Над реализацией этой задачи пыхтели радиолюбители всего мира и сегодня существует целый вагон и маленькая тележка различных схемотехнических решений - от схем на одном транзисторе до навороченных устройств на микроконтроллерах.
Далее будут представлены только те индикаторы разряда li-ion аккумуляторов, которые не только проверены временем и заслуживают вашего внимания, но и с легкостью собираются своими руками.
Внимание! Приведенные в статье схемы только лишь сигнализируют о низком напряжении на аккумуляторе. Для предупреждения глубокого разряда необходимо вручную отключить нагрузку либо использовать контроллеры разряда.Вариант №1
Начнем, пожалуй, с простенькой схемки на стабилитроне и транзисторе:
Разберем, как она работает.
Пока напряжение выше определенного порога (2.0 Вольта), стабилитрон находится в пробое, соответственно, транзистор закрыт и весь ток течет через зеленый светодиод. Как только напряжение на аккумуляторе начинает падать и достигает значения порядка 2.0В + 1.2В (падение напряжение на переходе база-эмиттер транзистора VT1), транзистор начинает открываться и ток начинает перераспределяться между обоими светодиодами.
Если взять двухцветный светодиод, то мы получим плавный переход от зеленого к красному, включая всю промежуточную гамму цветов.
Типовое различие прямого напряжения в двухцветных светодиодах составляет 0.25 Вольта (красный зажигается при более низком напряжении). Именно этой разницей определяется область полного перехода между зеленым и красным цветом.
Таким образом, не смотря на свою простоту, схема позволяет заранее узнать, что батарейка начала подходить к концу. Пока напряжение на аккумуляторе составляет 3.25В или более, горит зеленый светодиод. В промежутке между 3.00 и 3.25V к зеленому начинает подмешиваться красный - чем ближе к 3.00 Вольтам, тем больше красного. И, наконец, при 3V горит только чисто красный цвет.
Недостаток схемы в сложности подбора стабилитронов для получения необходимого порога срабатывания, а также в постоянном потреблении тока порядка 1 мА. Ну и, не исключено, что дальтоники не оценят эту задумку с меняющимися цветами.
Кстати, если в эту схему поставить транзистор другого типа, ее можно заставить работать противоположным образом - переход от зеленого к красному будет происходить, наоборот, в случае повышения входного напряжения. Вот модифицированная схема:
Вариант №2
В следующей схеме использована микросхема TL431, представляющая собой прецизионный стабилизатор напряжения.
Порог срабатывания определяется делителем напряжения R2-R3. При указанных в схеме номиналах он составляет 3.2 Вольта. При снижении напряжения на аккумуляторе до этого значения, микросхема перестает шунтировать светодиод и он зажигается. Это будет сигналом к тому, что полный разряд батареи совсем близок (минимально допустимое напряжение на одной банке li-ion равно 3.0 В).
Если для питания устройства применяется батарея из нескольких последовательно включенных банок литий-ионного аккумулятора, то приведенную выше схему необходимо подключить к каждой банке отдельно. Вот таким образом:
Для настройки схемы подключаем вместо батарей регулируемый блок питания и подбором резистора R2 (R4) добиваемся зажигания светодиода в нужный нам момент.
Вариант №3
А вот простая схема индикатора разрядки li-ion аккумулятора на двух транзисторах:
Порог срабатывания задается резисторами R2, R3. Старые советские транзисторы можно заменить на BC237, BC238, BC317 (КТ3102) и BC556, BC557 (КТ3107).
Вариант №4
Схема на двух полевых транзисторах, потребляющая в ждущем режиме буквально микротоки.
При подключении схемы к источнику питания, положительное напряжение на затворе транзистора VT1 формируется с помощью делителя R1-R2. Если напряжение выше напряжение отсечки полевого транзистора, он открывается и притягивает затвор VT2 на землю, тем самым закрывая его.
В определенный момент, по мере разряда аккумулятора, напряжение, снимаемое с делителя становится недостаточным для отпирания VT1 и он закрывается. Следовательно, на затворе второго полевика появляется напряжение, близкое к напряжению питания. Он открывается и зажигает светодиод. Свечение светодиода сигнализирует нам о необходимости подзаряда аккумулятора.
Транзисторы подойдут любые n-канальные с низким напряжением отсечки (чем меньше - тем лучше). Работоспособность 2N7000 в этой схеме не проверялась.
Вариант №5
На трех транзисторах:
Думаю, схема не нуждается в пояснениях. Благодаря большому коэфф. усиления трех транзисторных каскадов, схема срабатывает очень четко - между горящим и не горящим светодиодом достаточно разницы в 1 сотую долю вольта. Потребляемый ток при включенной индикации - 3 мА, при выключенном светодиоде - 0.3 мА.
Не смотря на громоздкий вид схемы, готовая плата имеет достаточно скромные габариты:
С коллектора VT2 можно брать сигнал, разрешающий подключение нагрузки: 1 - разрешено, 0 - запрещено.
Транзисторы BC848 и BC856 можно заменить на ВС546 и ВС556 соответственно.
Вариант №6
Эта схема мне нравится тем, что она не только включает индикацию, но и отрубает нагрузку.
Жаль только, что сама схема от аккумулятора не отключается, продолжая потреблять энергию. А жрет она, благодаря постоянно горящему светодиоду, немало.
Зеленый светодиод в данном случае выступает в роли источника опорного напряжения, потребляя ток порядка 15-20 мА. Чтобы избавиться от такого прожорливого элемента, вместо источника образцового напряжения можно применить ту же TL431, включив ее по такой схеме*:
*катод TL431 подключить ко 2-ому выводу LM393.
Вариант №7
Схема с применением так называемых мониторов напряжения. Их еще называют супервизорами и детекторами напряжения (voltdetector'ами). Это специализированные микросхемы, разработанные специально для контроля за напряжением.
Вот, например, схема, поджигающая светодиод при снижении напряжения на аккумуляторе до 3.1V. Собрана на BD4731.
Согласитесь, проще некуда! BD47xx имеет открытый коллектор на выходе, а также самостоятельно ограничивает выходной ток на уровне 12 мА. Это позволяет подключать к ней светодиод напрямую, без ограничительных резисторов.
Аналогичным образом можно применить любой другой супервизор на любое другое напряжение.
Вот еще несколько вариантов на выбор:
- на 3.08V: TS809CXD, TCM809TENB713, MCP103T-315E/TT, CAT809TTBI-G;
- на 2.93V: MCP102T-300E/TT, TPS3809K33DBVRG4, TPS3825-33DBVT, CAT811STBI-T3;
- серия MN1380 (или 1381, 1382 - они отличаются только корпусами). Для наших целей лучше всего подходит вариант с открытым стоком, о чем свидетельствует дополнительная циферка "1" в обозначении микросхемы - MN13801, MN13811, MN13821. Напряжение срабатывания определяется буквенным индексом: MN13811-L как раз на 3,0 Вольта.
Также можно взять советский аналог - КР1171СПхх:
В зависимости от цифрового обозначения, напряжение детекции будет разным:
Сетка напряжений не очень-то подходит для контроля за li-ion аккумуляторами, но совсем сбрасывать эту микросхему со счетов, думаю, не стоит.
Неоспоримые достоинства схем на мониторах напряжения - чрезвычайно низкое энергопотребление в выключенном состоянии (единицы и даже доли микроампер), а также ее крайняя простота. Зачастую вся схема умещается прямо на выводах светодиода:
Чтобы сделать индикацию разряда еще более заметной, выход детектора напряжения можно нагрузить на мигающий светодиод (например, серии L-314). Или самому собрать простейшую "моргалку" на двух биполярных транзисторах.
Пример готовой схемы, оповещающей о севшей батарейке с помощью вспыхивающего светодиода приведен ниже:
Еще одна схема с моргающим светодиодом будет рассмотрена ниже.
Вариант №8
Крутая схема, запускающая моргание светодиода, если напряжение на литиевом аккумуляторе упадет до 3.0 Вольта:
Эта схема заставляет вспыхивать сверхяркий светодиод с коэффициентом заполнения 2.5% (т.е. длительная пауза - коротка вспышка - опять пауза). Это позволяет снизить потребляемый ток до смешных значений - в выключенном состоянии схема потребляет 50 нА (нано!), а в режиме моргания светодиодом - всего 35 мкА. Сможете предложить что-нибудь более экономичное? Вряд ли.
Как можно было заметить, работа большинства схем контроля за разрядом сводится к сравнению некоего образцового напряжения с контролируемым напряжением. В дальнейшем эта разница усиливается и включает/отключает светодиод.
Обычно в качестве усилителя разницы между опорным напряжением и напряжением на литиевом аккумуляторе используют каскад на транзисторе или операционный усилитель, включенный по схеме компаратора.
Но есть и другое решение. В качестве усилителя можно применить логические элементы - инверторы. Да, это нестандартное использование логики, но это работает. Подобная схема приведена в следующем варианте.
Вариант №9
Схема на 74HC04.
Рабочее напряжение стабилитрона должно быть ниже напряжение срабатывания схемы. Например, можно взять стабилитроны на 2.0 - 2.7 Вольта. Точная подстройка порога срабатывания задается резистором R2.
Схема потребляет от батареи около 2 мА, так что ее тоже надо включать после выключателя питания.
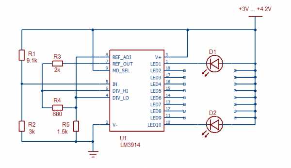
Вариант №10
Это даже не индикатор разряда, а, скорее, целый светодиодный вольтметр! Линейная шкала из 10 светодиодов дает наглядное представление о состоянии аккумулятора. Весь функционал реализован всего на одной-единственной микросхеме LM3914:
Делитель R3-R4-R5 задает нижнее (DIV_LO) и верхнее (DIV_HI) пороговые напряжения. При указанных на схеме значениях свечению верхнего светодиода соответствует напряжение 4.2 Вольта, а при снижении напряжения ниже 3х вольт, погаснет последний (нижний) светодиод.
Подключив 9-ый вывод микросхемы на "землю", можно перевести ее в режим "точка". В этом режиме всегда светится только один светодиод, соответствующий напряжению питания. Если оставить как на схеме, то будет светиться целая шкала из светодиодов, что нерационально с точки зрения экономичности.
В качестве светодиодов нужно брать только светодиоды красного свечения, т.к. они обладают самым малым прямым напряжением при работе. Если, например, взять синие светодиоды, то при севшем до 3х вольт аккумуляторе, они, скорее всего, вообще не загорятся.
Сама микросхема потребляет около 2.5 мА, плюс 5 мА на каждый зажженный светодиод.
Недостатком схемы можно считать невозможность индивидуальной настройки порога зажигания каждого светодиода. Можно задать только начальное и конечное значение, а встроенный в микросхему делитель разобьет этот интервал на равные 9 отрезков. Но, как известно, ближе к концу разряда, напряжение на аккумуляторе начинает очень стремительно падать. Разница между аккумуляторами, разряженными на 10% и 20% может составлять десятые доли вольта, а если сравнить эти же аккумуляторы, только разряженненные на 90% и 100%, то можно увидеть разницу в целый вольт!
Типичный график разряда Li-ion аккумулятора, приведенный ниже, наглядно демонстрирует данное обстоятельство:
Таким образом, использование линейной шкалы для индикации степени разряда аккумулятора представляется не слишком целесообразным. Нужна схема, позволяющая задать точные значения напряжений, при которых будет загораться тот или иной светодиод.
Полный контроль над моментами включения светодиодов дает схема, представленная ниже.
Вариант №11
Данная схема является 4-разрядным индикатором напряжения на аккумуляторе/батарейке. Реализована на четырех ОУ, входящих в состав микросхемы LM339.
Схема работоспособна вплоть до напряжения 2 Вольта, потребляет меньше миллиампера (не считая светодиода).
Разумеется, для отражения реального значения израсходованной и оставшейся емкости аккумулятора, необходимо при настройке схемы учесть кривую разряда используемого аккумулятора (с учетом тока нагрузки). Это позволит задать точные значения напряжения, соответствующие, например, 5%-25%-50%-100% остаточной емкости.
Вариант №12
Ну и, конечно, широчайший простор открывается при использовании микроконтроллеров со встроенным источником опорного напряжения и имеющих вход АЦП. Тут функционал ограничивается только вашей фантазией и умением программировать.
Как пример приведем простейшую схему на контроллере ATMega328.
Хотя тут, для уменьшения габаритов платы, лучше было бы взять 8-миногую ATTiny13 в корпусе SOP8. Тогда было бы вообще шикарно. Но пусть это будет вашим домашним заданием.
Светодиод взят трехцветный (от светодиодной ленты), но задействованы только красный и зеленый.
Готовую программу (скетч) можно скачать по этой ссылке.
Программа работает следующим образом: каждые 10 секунд опрашивается напряжение питания. Исходя из результатов измерений МК управляет светодиодами с помощью ШИМ, что позволяет получать различные оттенки свечения смешением красного и зеленого цветов.
Свежезаряженный аккумулятор выдает порядка 4.1В — светится зеленый индикатор. Во время зарядки на АКБ присутствует напряжение 4.2В, при этом будет моргать зеленый светодиод. Как только напряжение упадет ниже 3.5В, начнет мигать красный светодиод. Это будет сигналом к тому, что аккумулятор почти сел и его пора заряжать. В остальном диапазоне напряжений индикатор будет менять цвет от зеленого к красному (в зависимости от напряжения).
Вариант №13
Ну и на закуску предлагаю вариант переделки стандартной платы защиты (их еще называют контроллерами заряда-разряда), превращающий ее в индикатор севшего аккумулятора.
Эти платы (PCB-модули) добываются из старых батарей мобильных телефонов чуть ли не в промышленных масштабах. Просто подбираете на улице выброшенный аккумулятор от мобилы, потрошите его и плата у вас в руках. Все остальное утилизируете как положено.
Внимание!!! Попадаются платы, включающие защиту от переразряда при недопустимо низком напряжении (2.5В и ниже). Поэтому из всех имеющихся у вас плат необходимо отобрать только те экземпляры, которые срабатывают при правильном напряжении (3.0-3.2V).
Чаще всего PCB-плата представляет собой вот такую схемку:
Микросборка 8205 - это два миллиомных полевика, собранных в одном корпусе.
Внеся в схему некоторые изменения (показаны красным цветом), мы получим прекрасный индикатор разряда li-ion аккумулятора, практически не потребляющий ток в выключенном состоянии.
Так как транзистор VT1.2 отвечает за отключение зарядного устройства от банки аккумулятора от при перезаряде, то он в нашей схеме лишний. Поэтому мы полностью исключили этот транзистор из работы, разорвав цепь стока.
Резистор R3 ограничивает ток через светодиод. Его сопротивление необходимо подобрать таким образом, чтобы свечение светодиода было уже заметным, но потребляемый ток еще не был слишком велик.
Кстати, можно сохранить все функции модуля защиты, а индикацию сделать с помощью отдельного транзистор, управляющий светодиодом. То есть индикатор будет загораться одновременно с отключением аккумулятора в момент разряда.
Вместо 2N3906 подойдет любой имеющийся под рукой маломощный p-n-p транзистор. Просто подпаять светодиод напрямую не получится, т.к. выходной ток микросхемы, управляющий ключами, слишком мал и требует усиления.
Пожалуйста, учитывайте тот факт, что схемы индикаторов разряда сами потребляют энергию аккумулятора! Во избежание недопустимого разряда, подключайте схемы индикаторов после выключателя питания или используйте схемы защиты, предотвращающие глубокий разряд.Как, наверное, не сложно догадаться, схемы могут быть использованы и наоборот - в качестве индикатора заряда.
electro-shema.ru
Индикатор для проверки и контроля уровня зарядки АКБ
Каким образом можно сделать не сложный индикатор напряжения для АКБ на 12V, который эксплуатируют в автомобилях, скутерах, а также прочей технике. Поняв принцип действия схемы индикатора и назначение его деталей, схему можно будет подстроить практически под любой вид заряжаемых батарей, меняя номиналы у соответствующих электронных компонентов.
Не секрет что необходимо контролировать разряд аккумуляторов, поскольку у них существует пороговое напряжение. При разрядке ниже порогового напряжения в аккумуляторе произойдет потеря значительной части его емкости, в результате он не сможет выдать заявленный ток, а покупка нового — удовольствие не из дешевых.
Принципиальная схема с номиналами, что в ней указаны, даст приблизительную информацию о напряжении на выводах АКБ с помощью трех светодиодов. Светодиоды могут быть любых цветов, но рекомендовано использовать такие, как показаны на фото, они дадут более четкое ассоциированное представление о состоянии аккумулятора (фото 3).

Если горит светодиод зеленого цвета — напряжение аккумулятора в приделах нормы (от 11,6 до 13 Вольт). Горит белый – напряжение 13 Вольт и более. Когда горит красный светодиод – необходимо отключать нагрузку, АКБ нуждается в подзарядке током в 0,1А., поскольку напряжение аккумулятора ниже 11,5 В., батарея разряжена более чем на 80%.
Внимание, указаны приблизительные значения, могут быть отличия, все зависит от характеристик компонентов используемых в схеме.
У светодиодов, используемых в схеме, потребляемый ток очень мал, менее15(mA). Те, кого это не устраивает, могут поставить в разрыв тактовую кнопку, в этом случае проверка АКБ будет произведена путем включения кнопки, и аналитики цвета загоревшегося светодиода.Плату необходимо защитить от воды и укрепить на аккумуляторной батарее. Получился примитивный вольтметр с постоянным источником энергии, состояние АКБ можно проверить в любой момент.
Плата очень маленьких размеров — 2,2 см. Использована микросхема Im358 в DIP-8 корпусе, точность прецизионных резисторов 1 %, за исключением ограничителей силы тока. Можно устанавливать любые светодиоды (3 mm, 5 mm) с силой тока 20 mA.
Контроль был произведен при помощи блока питания лабораторного на стабилизаторе линейном LM 317, срабатывание устройства четкое, возможно свечение двух светодиодов одновременно. Для точной настройки рекомендовано применять резисторы для подстройки (фото 2), с их помощью максимально точно можно отрегулировать напряжения, при которых загорятся светодиоды.Работа индикаторной схемы уровня зарядки аккумуляторной батареи. Главная деталь микросхема LM393 либо LM358 (аналоги КР1401СА3 / КФ1401СА3), в которой два компаратора (фото 5).
Как видим из (фото 5) есть восемь ножек, четыре и восемь – питание, остальные – входы и выходы компаратора. Разберем принцип работы одного из них, выводов три, входов два (прямой (не инвертирующий) «+» и инвертирующий «-» ) выход один. Напряжение опорное поступает на инвертирующий «+» (с ним сравнивается подаваемое на инвертирующий «-» вход).Если на прямом больше напряжение, чем на входе инвертирующем, (-) питания будет на выходе, в том случае когда наоборот (напряжения на инвертирующем большее, чем на прямом) на выходе (+) питания.
В цепь стабилитрон включен наоборот (анод к (-) катод к (+)), у него есть как говорят ток рабочий, при нем он будет хорошо стабилизировать, смотрим на графике (фото 7).

В зависимости от напряжения и мощности стабилитронов отличается ток, в документации указан ток минимума (Iz) и ток максимума (Izm) стабилизации. Необходимо выбрать нужный в указанном промежутке, хотя будет достаточно и минимального, резистор дает возможность достичь необходимого значения тока.
Ознакомимся с расчетом: полное напряжение равно 10 В., стабилитрон рассчитан на 5,6 В., имеем 10-5,6=4,4 В. Согласно документации min Iст=5 mA. В результате имеем R= 4,4 В. / 0,005 А. = 880 Ом. Возможны не большие отклонения в сопротивлении резистора, это не существенно, основным условием является ток не менее Iz.
Разделитель напряжения включает в себя три резистора 100 кОм, 10 кОм,82 кОм. Определенное напряжение «оседает» на данных пассивных компонентах, далее оно подается на вход инвертирующий.
От уровня зарядки АКБ зависит напряжение. Схема работает следующим образом, ZD1 5V6 стабилитрон который подает напряжение в 5,6 В. к прямым входам (напряжение опорное сравнивается с напряжением на входах не прямых).
В случае сильного разряда батареи, к не прямому входу первого компаратора будет подано напряжение меньше, чем на вход прямой. К входу компаратора второго тоже будет подаваться напряжение большее.
В итоге первый даст «-» на выходе, второй же «+», загорится светодиод красного цвета.
Светодиод зеленый будет светить, в случае если первый компаратор выдаст «+», а второй «-». Белый светодиод зажжется, если два компаратора подадут на выходе «+», по этой же причине возможно одновременное свечение зеленого и белого светодиодов.
Автор; Егор
textsale
xn--100--j4dau4ec0ao.xn--p1ai











