Диодные лампы ремонт. Как самостоятельно разобрать и отремонтировать светодиодную лампу
SET 8-861-260-24-40, 8 (989) 212 27 02
Заказать обратный звонок
г.Краснодар,
ул.Симферопольская
дом 5, офис 9
Пн-Вс с 9:00 до 18:00

Корзина

Корзина пуста

Выбрать товар

Инструкция по ремонту светодиодных светильников и ламп. Диодные лампы ремонт


Ремонт светодиодных ламп своими руками

Современные экономичные светодиодные лампы стоят недешево. Но они и служат дольше обычных, а электричества потребляют в разы меньше. Обидно, когда такой прибор выходит из строя. Мы привыкли к тому, что лампы – одноразовый товар, который приходится выбрасывать после перегорания. Тема этой статьи – как можно вернуть такую лампу к жизни своими руками. Ремонт светодиодных ламп возможен! Причем задача эта по плечу даже человеку, не особо сведущему в электрике.

Светодиодная лампа значительно экономит ваши расходы на электричество

Содержание статьи

Устройство и принцип работы светодиодной лампы на 220 вольт

Светодиодные устройства значительно экономят электроэнергию, и при этом дают полноценное освещение. 10-ваттная лампочка с диодами дает такой же мощный поток света, как стоваттная лампа накаливания. Выходит, что этот вид осветительных приборов сокращает ваши расходы в десять раз. При этом такие приборы отличаются долговечностью, если конечно они не произведены в Поднебесной.

Чтобы разобраться с возможным ремонтом, нужно представлять себе принцип работы устройства. Здесь все немного сложнее, чем в традиционных лампах Эдисона. Каждый источник света, диод, состоит из двух полупроводников разного материала. Один содержит преимущественно электроны, второй – ионы.

При пропускании электрического тока между полупроводниками возникает выделение энергии со световым излучением

Такие полупроводники называют светодиодами. На заре этой технологии устройства могли испускать только зеленый, желтый и красный свет. По этой причине их использовали в индикаторах. Современные технологии позволяют охватить весь спектр и использовать теплые и холодные оттенки, в которых преобладают синий или желто-красный цвет.

Теперь непосредственно об устройстве лампы. Внешне она мало чем отличается от традиционной лампочки. Она имеет такой же цоколь с резьбой и подходит для всех видов светильников. Но внутри изделие имеет сложную структуру.

Схема светодиодной лампы на 220 В

Под прозрачной оболочкой колпака скрываются контактный цоколь, корпус, драйвер и плата с полупроводниками. Задача драйвера – понижение стандартного для наших сетей тока 220 вольт до необходимой для работы полупроводников величины. Эта плата питания и управления может быть устроена по-разному в зависимости от решения производителя. Для снижения собственных затрат некоторые не очень порядочные производители не устанавливают на платы необходимые для наших сетей стабилизаторы. В итоге лампочка светит очень ярко, но недолго. Один диод светит недостаточно ярко, поэтом в лампочках их группируют по несколько штук на плате, объединяя в одну цепь. Если один их полупроводников вышел из строя, вся лампа не будет гореть.

Структура LED-светильника

Прозрачный колпак лампы на качественных изделиях покрыт изнутри люминофором – веществом, усиливающим свечение. Такие лампочки снаружи выглядят матовыми, непрозрачными. Подобные изделия не раздражают глаза, их свечение схоже с естественным солнечным освещением.

К сведению! В светодиодных приборах мощность и светоотдача напрямую не связаны между собой. Подбирая подходящую лампу, нужно изучить данные на упаковке по уровню светового излучения. Оно измеряется в Люменах.

Схема-чертеж драйвера светодиодной лампы

Схема платы питания светодиодной лампы не отличается особой сложностью. Деталей не много: пара резисторов и встречно-параллельное подключение диодов. Такой тип подключения позволяет защититься от обратного напряжения и увеличить частоту мерцания до 100 Гц. В некоторых лампах может быть установлен всего один резистор.

Схема драйвера светодиодной лампы 220 В

Для сети 220 вольт в устройстве установлен конденсатор ограничения на выпрямляющем мосте.

К сведению! В принципе, один из полупроводников можно поменять на простой выпрямительный, но такое изменение уменьшает частоту мерцания до 25, а это отрицательно сказывается на зрительных ощущениях.

Почему может потребоваться ремонт светодиодной лампы, устройство и электрические схемы

К сожалению, наука пока не изобрела вечных материалов и двигателей, так что рано или поздно каждое устройство выходит из строя. И LED-лампы не исключение.

В среднем такой прибор способен прослужит 10 лет. Сократить продолжительность жизни лампочки могут особые условия эксплуатации и перепады напряжения. В первом случае понятно, что если светильник установлен на улице и работает в жару и мороз или в помещении с повышенной влажностью, прослужит он гораздо меньше обычного. А с перепадами напряжения можно в принципе бороться, устанавливая выпрямители тока в доме или квартире. Устройства эти не из дешевых, и на практике используется немногими, а напрасно, ведь на кону не только жизнь лампочек, но и сохранность более дорогостоящей бытовой техники. Состояние электрических сетей в нашем отечестве оставляет желать лучшего и вряд ли что-то изменится в ближайшем будущем.

К сведению! В процессе эксплуатации неизбежно снижается мощность полупроводников, они постепенно теряют свои способности.

Основные причины выхода LED-ламп из строя:

ПричинаОписание
Нарушение кристаллической структуры полупроводниковМатериал диодов может по-разному реагировать на увеличение плотности инжектированного тока. Какие-то полупроводники разрушаются быстрее, какие-то – медленнее. Дольше всего «держатся» системы InGaN/GaN.
ЭлектромиграцияМеталл электродов в процессе эксплуатации проникает на внутреннюю часть, это вызывает разрушительные процессы. Чтобы замедлить диффузию, на электроды наносят барьерный слой.
Перегрев диодаВ местах соединения светодиода с подложкой могут остаться каверны. Чаще всего причина в некачественном припое. В результате отвод тепла происходит недостаточно интенсивно и полупроводник перегревается.
Перегрузка и короткое замыканиеЭлектростатические разряды, резкое повышение напряжения и короткое замыкание – все это может привести к разрушению полупроводников

Основы ремонта светодиодной лампы на 220 В своими руками

Прежде чем заниматься ремонтом ЛЕД-лампы, убедитесь, что проблема заключается именно в ней, а не в люстре или проводке.

Сделать это не сложно: нужно проверить наличие напряжения специальным инструментом или просто вкрутить другую лампу. Если и она не загорелась – ищите обрыв провода или нарушение контакта в светильнике.

Если другая лампочка дает свет – значит проблема именно в осветительном приборе

Совет! Приступая к разборке, фотографируйте каждый этап. Так вам потом будет легче сориентироваться в обратном процессе. Мелкие детали выкладывайте в коробочку или блюдце, чтобы они не укатились по столу.

Чтобы найти причины поломки, придется протестировать каждую составную часть светодиодной лампы. В этом деле не обойтись без мультиметра.

Небольшой видеоматериал о том, как пользоваться мультиметром:

 

Для ремонтных работ потребуется паяльник, набор отверток, медицинский скальпель или тонкий нож.

Как аккуратно разобрать светодиодную лампу и выявить причину поломки

Итак, как починить светодиодную лампу на 220 V? Не всегда причину проблемы можно найти при простом визуальном осмотре. В любом случае, придется потратить время и силы на поиск скрытого недуга. Как правильно разобрать светодиодную лампочку? Главное в этом деле – предельная осторожность и аккуратность. Не прикладывайте чрезмерных усилий, не используйте острые инструменты там, где можно обойтись руками.

Алгоритм разборки:

Процедура замены светодиодов

Если проблема заключается в неисправном светодиоде, лампочка просто перестает работать. Если она мигает – то дело в плате питания.

После обнаружения погасшего диода нужно его удалить. Определить исправность полупроводника можно тремя способами:

ФотоОписание работ
Перегоревшие диоды имеют на поверхности точки или пятнышки. Кроме того, можно обнаружить вокруг них следы перегорания.
Можно попробовать прозвонить диоды мультиметром.
Можно снять сомнительные диоды и проверить работоспособность проводами, подключенными к источнику питания на 12 вольт.

Для ремонта лампы хорошо иметь аналогичную лампу – донор. С нее и снимают полупроводники для замены. Как заменить светодиод:

ФотоОписание работ
Плату с полупроводниками снизу нагревают строительным феном. Пайка размягчается и диод легко снимается обычным пинцетом. После на ту же разогретую плату ставится новый источник света. После остывания он прочно фиксируется на месте. Обратите внимание: диоды имеют полюса, так что снимая полупроводник, запомните, как он был расположен относительно большего и меньшего контакта. Типоразмер диода указан мелким шрифтом на самой плате, например как в этом случае – 2835.

Для закрепления пройденного видеоурок на эту тему:

 

Статья по теме:

Зная основные характеристики светодиодов, можно подобрать оптимальный вариант с точки зрения освещенности помещении и эксплуатационных затрат. Предлагаем ознакомить с основными видами диодов, их отличительными особенностями и порядком монтажа.

Ремонт драйвера светодиодной лампы

Мы рассмотрели, как отремонтировать светодиодную лампу своими руками, если перегорел один из полупроводников. Как видите, задача довольно простая. Теперь рассмотрим ситуацию, если из строя вышел блок управления, драйвер лампы.

Мост и микросхему для ремонта, как и другие запасные части можно купить в самом большом китайском интернет-магазине.

ФотоОписание работ
Для ремонта драйвера могут пригодиться платы-доноры. Не спешите выбрасывать старые лампы.
Мост и микросхема снимаются с платы тем же способом, что и светодиоды. Строительным феном разогревается поверхность платы и пинцетом легко снимаются детали.
После того, как детали сняты, места их крепления обрабатываются паяльной пастой BGA.
Остается только поставить сменные детали на освободившиеся места и закрепить их тем же строительным феном или паяльником с игольчатым жалом.

Задача эта для тех, у кого руки растут из нужного места. Если не уверены в своих силах или у вас проблема со зрением – просто закажите несколько готовых драйверов и меняйте их по мере необходимости.

Видео, как заменить драйвер:

 

Замена блока питания

Одна из распространенных причин поломки светодиодной лампы – выход из строя резистора или конденсатора. Проверить состояние этой детали не просто, придется подключить лампу к сети.

ФотоОписание работ
Неисправность конденсатора можно определить визуально – он вздувается, как в этом случае.
Вздувшийся конденсатор нужно отпаять от платы с помощью паяльника.
Новый конденсатор соответствующей мощности закрепляется на плате с соблюдением полярности.

Для того, чтобы заменить резистор на лампе, нужно знать основные данные светодиодов.

Видео: инструкция по подбору резистора

 

Статья по теме:

Немногие знают как рассчитать и подключить блок питания для светодиодной ленты 12В. В этом обзоре мы расскажем о критериях выбора, правилах подключения и ценах.

Причины моргания LED-лампочек

Необходимость ремонта светодиодных прожекторов может быть вызвана частым морганием. Этот режим очень напрягает зрение. У человека может болеть голова и глаза, если частота мигания осветительного прибора выходит за допустимые рамки. Дело может дойти до проблем с психикой.

Такая неисправность может быть вызвана заводским браком лампы или неправильным подключением прибора. Не исключено, что придется заняться ремонтом все светодиодной люстры. Но в большинстве случаев достаточно просто перекрутить лампочку, то есть выкрутить и вкрутить снова. Если проблема кроется в проводе, питающем светильник, следует заменить проводку.

Совет! Попробуйте в один из рожков люстры вкрутить обычную лампу накаливания. Она разгрузит конденсаторы и мигание прекратится.

Подводим итоги: ремонт светодиодных ламп своими руками

Как видите, ремонт светодиодных светильников сделать не сложно. Нужно обладать хорошим зрением и скромным набором инструментов. Выгода от такого занятия очевидна: восстановить лампу можно за копейки. Мультиметр и паяльник вам в помощь! Если у вас остались вопросы или вы готовы поделиться своим опытом, пишите!

Понравилась статья?Сохраните, чтобы не потерять!

Загрузка...

homemyhome.ru

Ремонт светодиодных ламп своими руками

 

Несмотря на недорогую стоимость светильников, работающих от диодных ламп, иногда целесообразнее отремонтировать вышедший из строя прибор. Сделать это нетрудно, узнав их составляющую часть.

Посмотрим, что внутри

Не разобрав светильник, нельзя понять, что с ним произошло и можно ли его восстановить. Есть два варианта демонтажа Led-ламп. В первом, при наличии на корпусе ребер для отвода тепла, применяется плоская отвертка, с тонким жалом. Необходимо найти подходящую выемку, вставить лезвие и надавив, попытаться разделить корпус. Демонтажные работы, даже на простеньких светильниках, необходимо проводить при отключенном напряжении.

Второй способ, применим к моделям с толстым встроенным стеклом. По сути, такие светодиодные лампы не рассчитаны на ремонт своими руками, но ушлые мастера, нашли и здесь лазейку. Обычным феном для сушки волос, или строительным аппаратом, необходимо прогреть корпус. Клей расплавится, пластик расширится под воздействием тепла, и стеклянная колба выйдет из основы.

Устранение неисправности производится путем замен лампы. Предварительно ее проверяют, соединив напрямую с блоком питания. Возможно она рабочая, а поломка кроется в другой части. Рассмотрим еще варианты.

Замена блока питания

Это не менее распространенная неисправность. Обычно в приборах горят резисторы, или конденсаторы. Признаков их неисправности выявить визуально нельзя. Не помогут и проверки измерительными приборами, потому что неполадка, обнаруживается только при работе под нагрузкой. Простым решением будет замена блока питания, поскольку выявление неисправности путем проведения полного анализа, требует определенных знаний и наличия соответствующего инструмента. Проверка индикаторной отверткой, не даст никаких результатов, а тестеры есть не у всех, да и необходимо уметь ими пользоваться.

В обычных электротоварах их не продают. Необходим прибор именно для подключения к для Led-светильникам на 5W. Отправляйтесь в специализированный магазин радиодеталей, приобретайте блок и путем простых манипуляций подсоединяйте питание к лампе.

Сгорел светодиод, что делать?

Если блок исправен, механических повреждений на лампе нет, то имеет смысл поискать проблему среди встроенных диодов. Их необходимо поочередно проверить, воспользовавшись батарейкой или кроной на 9 Вт и резистором с сопротивлением в 9 Ом. Припаяв последний к плюсовому проводу, необходимо поочередно подсоединять контакты к диодам, выявляя сгоревший элемент. Найдя неисправный, нужно просто замкнуть его контакты. Обычно в самодельных светильниках, да и в некоторых магазинных моделях, работа основана на принципе неразрывной цепи. Поэтому замкнув один, вы не нарушите функционирование других, а наоборот они будут гореть ярче. Здесь не обойтись без паяльника с тонким жалом и сноровки, потому что при пайке медных проводов могут возникнуть затруднения. Особенно при работе с тонким сечением контактов в диодных лампах.

Лампа «кукуруза» – как отремонтировать?

Это самые удобные модели в плане проведения ремонта своими руками. Диодные источники в светильниках LL-CORN «кукуруза», располагаются на поверхности, что позволяет производить их замену, не вторгаясь во внутреннее пространство. Лампы можно прозвонить, найти неисправный и заменить его, проведя работы аналогичные с ремонтом других источников на основе диодов. Можно также, закоротить нерабочий элемент, передав нагрузку оставшимся лампам. На работе и стабильности освещения это не скажется. Однако если лампа, весит на видном месте, неудобство будет доставлять эстетичность ее вида.

Ремонтируем неисправный драйвер

Это самый надежный элемент, в конструкции светодиодных ламп. Часты случаи того, что сам драйвер значительно переживает все остальные компоненты прибора. Можно поменять несколько ламп, а он будет исправно работать.

Поломка возникает из-за возможной перегрузки, светильника, собранного своими руками. Домашние мастера, начитавшись рекомендательных статей, перегружают их средствами защиты от перепадов. При таком раскладе, повышается вероятность несовпадения номинальных показателей тока. Это нагружает драйвер и со временем, он выходит из строя.

К конкретным причинам неисправности драйвера, можно отнести лишь мигание светодиодов. То есть сами лампы работают, с контактами все в порядке, но взаимодействие с преобразователями некорректное. В таком случае, поможет только замена прибора, а приобретать его необходимо строго по маркировке на ремонтируемом изделии.

 

podvi.ru

Ремонт светодиодной лампы своими руками: фото и описание

Простой ремонт светодиодной лампы своими руками: фото пошаговых работ с описанием.

Когда вышла из строя LED лампа, решил её не выбрасывать, а попытаться отремонтировать. Открыл светорассеивающую колбу, перед глазами сразу встает плата со светодиодами SMD типа, подключенные последовательно.

Плата закреплена на алюминиевом радиаторе для отвода тепла от светодиодов. Приподняв всю эту конструкцию, по нижней части корпуса лампы идет дополнительный алюминиевый радиатор, образуя как бы круглую воронку. Ну а в центре цоколя-лежит сама плата, «задутая» в термоусадочную трубку.

Плату со светодиодами мы оставляем, но ее слегка переделываем. Берем канцелярский нож и перерезаем дорожки между светодиодами. Далее, каждый светодиод подпаиваем отдельно к пятачкам на плате «ПЛЮС» и «МИНУС», то есть получаем параллельное соединение. И от пятачков выводим два провода через отверстие в плате в нижнюю часть.

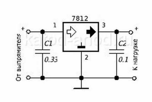
Далее нужно взять стабилизатор напряжения L7812 и два конденсатора, один на 330nF, второй-0,1мкФ. Все это спаиваем по схеме, которую я ниже приведу. Вход стабилизатора припаиваем на цоколь лампочки(плюсовой вывод входа я припаял к центральному контакту, а минусовой-к резьбовой).

Теперь берем нашу плату со светодиодами и припаиваем провода к выходу стабилизатора, соблюдая полярность.

Проверяем нашу лампочку в работе, я лично сначала проверял батарейкой Крона на 9В, все исправно работало.

В конце прикрутил на всякий случай небольшой радиатор к КРЕНке, предварительно намазав термопасту на радиатор. Ну и в конечном счете, собираем нашу лампочку, внутри чтоб детальки не болтались, я закрепил их каплями термоклея.

Заключительным этапом была испытательная часть лампочки от автомобильного аккумулятора примерно 15 минут. За это время, лампочка не нагревалась, ток потребления был 0,8А.На данный момент, мною переделано 3 лампочки, в запасе есть еще одна, до которой я доберусь на днях. Все эти переделанные лампочки исправно функционируют уже неделю в гараже моего знакомого.Сколько они проработают еще, никто сказать не может, но учитывая то, что они получили свою вторую жизнь, а не место на свалке-это уже плюс.

 

На рисунке показана схема стабилизатора, ничего сложного нет, спаиваем все навесным монтажем.

Дополнительно пару полезных видео по ремонту светодиодных ламп в домашних условиях.

Ремонт LED лампы.

Автор: Альберт Усманов. источник

Похожие статьи

Поделиться в соц. сетях

led-lampu.ru

Ремонт светодиодных ламп

Получившие в последнее время широкое распространение светодиодные лампы отличаются от ламп накаливания экономичностью и более длительным сроком службы. Если с первым пунктом можно безоговорочно согласится,то со вторым положением ещё можно поспорить. Изначально конечно предполагалось,что СД-лампы будут иметь неограниченный ресурс, но по причине применения некачественных материалов для изготовления светодиодов и неудачных схемных решений часто лампы не отрабатывают даже тот срок, который заявлен изготовителем в гарантийных обязательствах. По причине того что данные источники света ещё довольно дороги, имеет смысл (если гарантия уже вышла) попытаться восстановить светодиодные лампы, прожекторы и т. д.

В простейшем случае СД-лампа состоит из нескольких частей:-корпус, состоящий из светорассеивающего плафона и цокольной части-источник питания(драйвер),расположенный в цокольной части-плата со светоизлучающими диодами(СИД) расположенная под плафоном

Для того что бы получить доступ к внутренностям лампы порой бывает достаточно пройтись каким нибудь острым инструментом(ножом,отвёрткой) по окружности соединения плафона и цокольной части.Под плафоном находится плата со светодиодами к которой подключены два провода разного цвета. Точки подключения обозначены плюсом(+) и минусом(-).Отсоединив провода и сняв плату светодиодов получим доступ к драйверу(блоку питания). В дешёвых моделях драйвер представляет собой набор резисторов и конденсаторов, в более продвинутых образцах уже применяются специализированные микросхемы. Применение таких драйверов более предпочтительно, т. к. броски сетевого напряжения оказывают меньшее влияние на светодиоды.

Для того что бы выяснить причину неисправности лампы надо определится с тем, какая часть вышла из строя,-драйвер или плата СИД:-соблюдая все необходимые меры предосторожности подключаем лампу со снятым плафоном к сети, например вкручиваем её в патрон настольной лампы.-с помощью мультиметра контролируем напряжение на точках (+) и (-) платы СИД-если напряжения нет,-неисправен драйвер-если напряжение есть и находится в пределах 200-250в постоянного тока ,-неисправна плата СИДРассмотрим случай когда неисправна плата СИД. Диоды расположенные на плате, включены между собой последовательно, и поэтому достаточно одному из них выйти из строя, как вся цепь диодов перестаёт работать. Осталось только обнаружить неисправный светодиод и заменить его.

-пытаемся найти повреждение внешним осмотром(часто перегоревший диод имеет потемнение на своей поверхности или выделения металлического цвета в форме маленьких шариков)-если осмотр не дал результатов придётся применить инструментальный контроль(мультиметром проверяем все диоды подряд в прямом и обратном направлении,неисправный диод не звонится во всех направлениях) -случается, что и таким методом не удаётся определить неисправный СИД, в этом случае можно взять пальчиковую батарейку, подсоединить к ней два провода и поочерёдно проверить все диоды подавая на них питание от батарейки. Исправные диоды будут слабо светится.

Определившись с неисправным диодом необходимо подобрать для него достойную замену. Если имеются в наличии подобные лампы «на запчасти» можно попытаться заменить диоды как говорится «один в один». Но процедура эта для неподготовленного человека может вызвать трудности. Простым паяльником сделать это непросто. Есть другой вариант,-вместо штатного светодиода можно установить диод с гибкими выводами,типа АЛ307 и ему подобные. Цвет свечения в данном случае не имеет значения , так как на общем ярком фоне остальных светодиодов его свечение видно вообще не будет. В нашем случае роль светодиода будет заключаться в том что бы восстановить общую цепь и обеспечить необходимое падение напряжения на своём участке цепи.

Такой светодиод уже гораздо проще впаять в плату при помощи обычного паяльника, который наверняка имеется у многих. После сборки лампы в исходное состояние и подключении её в сеть свечение её ничем не отличается от первоначального.

Теперь что касается драйвера. По моему мнению ремонтировать его имеет смысл только тогда когда в нем имеется плавкая вставка(предохранитель).Или имеются в наличии детали явно вышедшие из строя(электролитические конденсаторы). Во всех остальных случаях ремонт нецелесообразен(за исключением случая когда есть равноценная замена драйвера с лампы-донора).

На этом всё. Надеюсь, что кому то этот материал будет полезен.

usamodelkina.ru

инструкция как отремонтировать неисправности лампочки и драйвера с видео

Ремонт светодиодных светильников можно выполнить своими руками, а процедура восстановления зависит от проблемы. Правильно провести диагностику и поиск неисправности в работе диода можно только зная конструкцию детали.

Содержание

[ Раскрыть]

[ Скрыть]

Устройство и принцип работы LED лампочки

Конструкция лампочки:

  • драйвер;
  • цоколь;
  • корпус устройства;
  • непосредственно комплект диодных элементов;
  • рефлектор.

Визуально такой источник освещения отличается от ламп накаливания или газоразрядных элементов. Внутри устройства выделяются фотоны, в результате образуется световой поток, это происходит благодаря рекомбинации электронно-дырочной пары. В ходе преобразования в осветительные лучи из-за оптического преломления и конструктивных особенностей некоторые физические частицы теряются. В результате невысокой мощности источники освещения комплектуются большим числом диодных компонентов, а также сапфировой подложкой, она позволяет увеличить поток света.

Устройство светодиодного модуля выполнено так, что лампочка сможет эффективно отводить тепло от точечных диодов благодаря уменьшению осветительного потока. Драйвер используется для того, чтобы напряжение могло подойти к каждой группе элементов.

Принцип работы осветительного устройства основан на подаче переменного тока из бытовой сети на драйвер. Этот элемент представляет собой электронный прибор, предназначенный для стабилизации скачков напряжения. Затем прямой ток подается на диодные элементы, излучающие осветительный поток

Канал «Советы Электрика» более подробно рассказал об устройстве диодных источников освещения.

Причины неисправностей светодиодных ламп

Причины поломок лампочек:

  1. Скачки напряжения в электросети. Светодиодные светильники не так подвержены поломкам из-за этого благодаря наличию драйвера. Но со временем перепады напряжения могут пробить диодный мост, что приводит к перегоранию LED элементов. При наличии чувствительных скачков в сеть потребуется добавить стабилизаторное устройство, это позволит повысить ресурс эксплуатации диодного оборудования.
  2. Для электросети неверно подобран осветительный прибор. Если в устройстве нет необходимой вентиляции, это негативно отразится на функционировании драйвера. В результате тепло, которое выделяет устройство, не сможет отводиться, что приводит к перегреву. Для решения проблемы необходимо выбрать осветительное устройство, имеющее качественную вентиляцию. Это будет способствовать эффективному тепловому обмену.
  3. Ошибки при установке. При неверном подборе осветительной системы или ее подключении лампочка выйдет из строя. Также причина может заключаться в неправильно высчитанном сечении проводки. Для решения проблемы необходимо разгрузить осветительную линию либо произвести замену световых приборов. Надо установить устройства, которые будут потреблять меньше мощности.
  4. Различные внешние факторы. К примеру, проблема может заключаться в воздействии вибраций, высокой влажности, а также запыленности. Иногда причина кроется в неверном выборе степени защиты. Все негативные внешние факторы, влияющие на функционирование осветительных приборов, надо устранить.

Диагностика светильника

Модуль LED обычно выходит из строя в результате:

  • обрывов в общей электроцепи;
  • неисправного переключателя;
  • отсутствии или некачественном контакте в патроне;
  • появлении неполадок в самом источнике освещения.

Для поиска неисправности в домашних условиях надо выполнить предварительную диагностику. Если при включении осветительного прибора светодиод не активируется, необходимо извлечь его из патрона. Вместо него установить другой источник освещения, необязательно диодный. Если осветительное устройство заработало, это говорит о проблеме в самом приборе. При отсутствии света неисправность следует искать в проводке.

Подробнее о процедуре диагностики рассказал канал «Crowbyleds».

Для поиска неисправного участка электроцепи потребуется тестер, с его помощью надо убедиться в наличии либо отсутствии напряжения в сети. Чтобы сделать это, щупы мультиметра подключаются к патрону диодного светильника, выключатель при этом должен быть включен. После соединения производится диагностика показателей на соответствие полученных значений 220 вольтам. Если параметры другие — причина найдена. В случае когда напряжение в сети есть, но осветительное устройство не работает, надо проверить наличие контакта между усиками патрона, а также цоколем.

На практике, если на этом участке имеются неисправности, то образуется дуга. В результате этого на усиках появляется нагар, его можно определить визуально. Для ликвидации налета напряжение отключается, а образования удаляются. Для этого можно использовать подручные средства, к примеру, наждачку или щетку, но не жидкость. После выполнения задачи усиковые элементы аккуратно подгибаются.

Затем осуществляется установка рабочего источника освещения в патрон и диагностируется результат. Если напряжение на контактных элементах отсутствует, патрон подлежит демонтажу и диагностике. Надо убедиться в наличии либо отсутствии фазы на проводке. Если она есть при отключенном переключателе, это говорит о необходимости замены патрона. При отсутствии фазы диагностируется выключательное устройство, производится его детальное тестирование.

Пользователь Publik рассказал о процедуре проверки светодиодной лампочки.

Если в результате диагностики проблемы не были обнаружены, то причина заключается в неисправности самого источника света.

Как разобрать светодиодный модуль

Диодная лампочка представляет собой сложное устройство, состоящее из нескольких конструктивных элементов, поэтому в процессе разбора надо запомнить очередность снятия деталей. Не все составляющие компоненты модуля нужно менять, поэтому при выполнении задачи нельзя нанести им повреждения.

Откручивание

Для демонтажа рассеивающего элемента надо произвести снятие источника освещения из светильника:

  1. Диодная лампочка берется за края и прокручивается. Это делается мягкими вращательными движениями. Верхняя часть купола отделяется от основания. Между составляющими элементами может быть слой герметика, но обычно он тонкий и не влияет на простоту снятия.
  2. Следующим этапом будет отделение пластины, на которой зафиксированы светодиодные элементы, ее надо отсоединить от основной части корпуса. Для выполнения задачи откручиваются крепежные винты. Элементы фиксации характеризуются маленькими головками, поэтому для их откручивания потребуется использовать специальные прецизионные отвертки.
  3. После того, как болты будут отсоединены, выполняется снятие монтажной пластины от радиатора охлаждения модуля. Для осуществления задачи потребуется инструмент с острым и плоским наконечником, к примеру, пинцет. С его помощью осторожно поддевается край схемы и она демонтируется.
  4. На следующем этапе необходимо произвести распайку зоны прилегания кабеля питания. После этого пластина со светодиодными элементами может быть полностью извлечена.
  5. Для снятия радиаторного устройства и цоколя необходимо отсоединить компоненты, используя вращательные движения. Детали раскладываются на чистой поверхности, выполняется их ремонт или замена.

Канал «HamRadio Tag» предоставил видеоурок о процедуре разбора диодного устройства в прожекторе и его последующем восстановлении.

Нагревание феном

Этот вариант более актуален для осветительных модулей, оснащенных тонким стеклом и не подходящих для контакта с инструментами. Если устройство слишком чувствительное к внешним воздействиям, то с помощью строительного фена необходимо разогреть корпус лампочки. Это — единственный вариант, который позволит извлечь из цилиндрической основы зафиксированную клеевым раствором стеклянную составляющую. В результате воздействия горячего воздушного потока части устройства расширяются, а клей будет более эластичным.

Такие действия позволят лампочке распасться на несколько элементов без особых усилий. При отсутствии строительного фена можно использовать растворитель.

Также потребуется:

  • шило;
  • медицинский шприц;
  • игла.

С помощью шила надо осторожно и без сильного воздействия провести вдоль кромки купольного устройства. Используя шприц с иглой, растворитель вводится внутрь. После этого надо немного подождать. Через несколько минут герметик потеряет эластичность, что позволит произвести демонтаж рассеивающего купола.

Канал «D. C Channel» подробно рассказал о процедуре разбора LED лампы и дальнейшем ремонте устройства.

Инструкция по ремонту

Починить диодный источник освещения можно тремя способами:

  • поменять светодиоды;
  • произвести замену блока питания;
  • отремонтировать драйвер устройства.

Замена светодиодов своими руками

Для поиска вышедшего из строя элемента стоит использовать один из трех методов:

  1. На поверхности выгоревшего диода можно увидеть темное пятно или точку. Вокруг с поврежденным местом часто имеются следы подгорания.
  2. Каждый светодиодный элемент следует прозвонить тестером, чтобы определить неисправный.
  3. Если насчет конкретной детали имеются сомнения, то ее можно снять. Вместо нее выполняется подключение электроцепей, соединенных с источником питания на 12 вольт.

Чтобы произвести ремонт светодиодных светильников, необходимо иметь лампочку-донора, с которой производится демонтаж полупроводниковых элементов:

  1. С нижней стороны рабочую плату надо прогреть с помощью строительного фена.
  2. Пайка позволит размягчить схему модуля, в результате чего поврежденный светодиод можно демонтировать с использованием пинцета.
  3. Производится зачистка контактных составляющих, на место посадки наносится паста.
  4. Затем на прогретую плату необходимо установить новую деталь. После того, как схема модуля остынет, диодный элемент надежно закрепляется в посадочном месте. Сточенная часть детали покажет, где расположен отрицательный контакт. Если полярность не будет соблюдена, лампочка не включится.

Канал «Китай+» подробно рассказал о замене диодных компонентов в LED лампочке.

Каждый светодиод имеет полюса, поэтому перед снятием надо запомнить, как деталь располагалась относительно маленького и большого контакта. Непосредственно на схеме всегда указывается типоразмер диодного компонента.

Ремонт драйвера

Процедура восстановления этого элемента выполняется так:

  1. Сначала надо подготовить платы-доноры. Их можно взять из старых светодиодных модулей.
  2. Демонтаж моста и схемы производится аналогично, как в случае с полупроводниками. Для этого применяется строительный фен, с помощью которого надо прогреть поверхность платы. Используя пинцет, производится демонтаж деталей.
  3. После того как вышедшие из строя элементы сняты, место их монтажа надо обработать паяльной пастой. Можно использовать средство BGA.
  4. На завершающем этапе выполняется установка сменных элементов в место посадки. Фиксация запчастей осуществляется посредством фена либо паяльника с тонким жалом.

Замена блока питания

Прежде чем чинить деталь, надо убедиться в ее неработоспособности:

  1. Проблема в работе БП может заключаться в выходе из строя конденсаторного элемента. Его неисправность можно определить визуально. Вышедший из строя конденсатор вздувается.
  2. Поврежденная деталь подлежит демонтажу, для этого ее надо выпаять из места установки. Процедура выполняется с использованием паяльника.
  3. Новый конденсаторный элемент устанавливается вместо демонтированного на плате. При выполнении задачи важно учитывать полярность.

Меняя конденсатор, нужно установить устройство аналогичной мощности.

Видео «Практическое руководство по ремонту диодных ламп»

Канал «Паяльник TV» подробно рассказал о том, как восстанавливать светодиодные источники освещения.

razvodka.com

Ремонт светодиодных ламп своими руками

Как самостоятельно починить светодиодную лампу?

06.04.2016 нет комментариев 31 784 просмотров

Из экзотики в обыденность перешли такие источники света, как лампы LED. С появлением ярких светодиодов был только вопрос времени, когда же они заменят собой источники искусственного освещения, придут на замену менее эффективным лампам. И вот это свершилось, полки магазинов и витрины сайтов пестрят предложениями лампочек из светодиодов. Их стали делать все кому не лень, поскольку для сборки такого источника света не требуется специфическое оборудование, все комплектующие производят по отлаженной технологии, а схемотехника обкатана и беспрецедентно проста. И вот вы стали счастливым обладателем LED лампочки, и какое-то время она радовала, но вдруг перестала работать. Хорошо если эта лампочка фирменная с гарантией, т.к. ее можно поменять, если вдруг перестала работать раньше срока. А что делать если это продукция неизвестного китайского бренда, «Космос» или гарантия закончилась? Не спешите расстраиваться и выкидывать ее в мусор. В этой статье мы расскажем, как осуществить ремонт светодиодной лампы своими руками, предоставив пошаговые инструкции и видео.

Знакомимся с устройством LED лампочки

Перед тем как приступать к ремонту лампочки на 220 либо 12 вольт, необходимо ознакомиться с ее устройством. Как уже говорилось выше, конструкция предельно проста. Лампу условно можно разделить на три части: корпус с цоколем и светофильтром, плата питания светодиодов, LED модуль.

Разобрав аккуратно корпус, перед вами откроется внутренности электронной схемы. В большинстве своем китайские производители недорогих устройств, таких как «кукуруза» и им подобных светодиодных светоизлучателей, устанавливают бестрансформаторные конденсаторные источники тока. В этих схемах конденсатор выполняет роль ограничителя тока и напряжения.

К сведению читателя скажем, что рабочее напряжение одного светодиода составляет 3.3 вольта, а ток полупроводникового кристалла около 20- 50 мкА в зависимости от типа диода. Если эти параметры будут завышены, диод перегреется и кристалл пробьет, выйдет из строя.

Как же устроены лампочки LED. Последовательно в цепочку 50 — 60 светодиодов спаяны вместе, совместно образуя светоизлучающий элемент на напряжение 180 вольт. Силовой конденсатор с резистором ограничивает ток и напряжение до требуемого уровня.

Часто производители таких устройств идут на заведомый обман, и вот в чем: если увеличить ток через кристалл выше рабочего номинала, но в разумных пределах, то излучение от диода возрастет. В связи с этим так же станет выше тепловыделение, с которым можно непродолжительное время бороться. Данная хитрость выгодно выделяет их на фоне конкурентов, ввиду большей яркости при одинаковой заявленной мощности. Однако приводит к падению светоизлучения или разрушению со временем и горькому разочарованию пользователя.

Как починить вышедший из строя элемент?

Итак, имея представление об устройстве электронной схемы нашей светодиодной лампы, которая не работает, рассмотрим, как отремонтировать ее в домашних условиях.

Первым делом производим визуальный осмотр микросхемы и самих диодов. В 80% случаях поломкой является сгоревший светодиод. Чтобы осуществить ремонт, нужно сначала найти диод, который зрительно отличается от остальных, например, наличием выраженной черной точки, как показано на фото ниже, после чего заменить его на новый.

Видеоурок по ремонту светодиодной лампочки, в которой сгорел светодиод:

Как починить сгоревшую LED лампу с цоколем E27

Также может перегореть токоограничивающий резистор. Редко выходят из строя рабочие конденсаторы, своей поломкой выводя из строя остальные элементы LED устройства.

Раз вы изучаете данную страницу, мы надеемся что у Вас есть паяльник и минимальные понятия в электронике. Теперь о методике поиска неисправности. Проверка диода возможна как мультиметром, так и кроной с ограничивающим резистором 1 кОм. Поочередно ставя проводки на выводы светодиода, исправный будет светить. Мультиметр в положении прозвонка также заставит светодиод светиться, при соблюдении полярности.

Если со светоизлучателем проблемы не выявлено, тестером проверяем ограничивающий резистор, в большинстве схем его номинал около 100- 200 Ом. Более сложный ремонт рекомендуем просмотреть на видео:

Также бичом современных схем является такое понятие, как «холодная пайка». Это когда со временем разрушается контакт в плохо залитом оловом месте пайки.

Цепь разрушается физически и разрывает целостность схемы, в результате чего светодиодная лампа не включается. Отремонтировать поломку можно путем повторного прогрева места контакта с нанесением на него флюса.

Редко встречающиеся неисправности — это пробой выпрямительного диода или конденсатора, который случается во время бросков напряжения. С помощью тестера можно установить это досконально. Выявив причину и заменив перегоревший элемент можно вернуть лампочкам рабочее состояние. Более подробно узнать о том, как проверить конденсатор. вы можете в нашей соответствующей статье.

В более дорогих LED устройствах вместо конденсаторного блока питания стоит импульсный источник питания, который автоматически подстраивается под напряжение в сети, и регулируя его, на выходе держит постоянное значение напряжения и тока, не давая кристаллам диодов перегреваться, обеспечивая долгую службу и постоянный световой поток.

Метод поиска неисправности практически не отличается от вышеописанного, и скорее всего это будет холодная пайка на каком-либо из элементов. Ремонт светодиодной лампы в этом случае не составит труда.

Если же диодная лампочка не загорается либо мерцает, далеко не всегда причина в ее неисправности. В большинстве случае мигание происходит из-за того, что она подключена к выключателю с подсветкой. В этом случае решить проблему можно, заменив выключатель на обычный. Также в качестве ремонта можно рассмотреть еще один простой способ исправить проблему — отключить подсветку на выключателе, отсоединив диодную лампочку в нем.

Однако иногда все же лампа может мигать, т.к. в ней что-то отошло, например, отпаялся провод от цоколя. В этом случае отремонтировать ее достаточно просто, по следующей технологии:

Что делать, если настольная лампа мерцает?

Идея для домашних мастеров

Прочитав нашу статью возможно у Вас возникнет такой вопрос, а можно ли самому собрать такой источник света? Можно, именно так я и сделал, до того как начал использовать заводские LED, и то в силу специфики люстры и дизайна. Используя светодиодную ленту и переделанный электронный трансформатор, была изготовлена лампа на рабочий стол с двумя режимами работы. Позже изготовлен ночник на одном мощном трех вольтовом диоде и декоративном бра из шпагата.

Также можете узнать о том, как сделать LED лампочку в нашей отдельной публикации. Надеемся этой статьей мы вас заинтересовали, не только возможностью ремонта светодиодной лампы своими руками, но и идеей создания красивых и необычных источников света!

Как починить сгоревшую LED лампу с цоколем E27

Что делать, если настольная лампа мерцает?

Ремонт светодиодных ламп своими руками: конструкция, схема

Светодиодные лампы – самые дорогие осветительные приборы. Но их качество и долговечность не всегда соответствуют параметрам, указанным на упаковке. Досадно выбрасывать лампу, не отслужившую положенного срока, вложив в нее ощутимые для бюджета средства.

Если у вас есть мультиметр и навыки работы паяльником, то неисправную светодиодную лампу можно отремонтировать, сэкономив на этом средства.

Конструкция светодиодных ламп

Устройство светодиодной лампы немногим отличается от конструкции КЛЛ. На рисунке показаны узлы, входящие в состав лампы.

Устройство светодиодной лампы

  1. Рассеиватель. Предназначен для равномерного распределения светового потока в пространстве и исключения ослепления при взгляде на светодиоды.
  2. Светодиоды.
  3. Основание светодиодов с печатными проводниками для их последовательного соединения.
  4. Радиатор охлаждения. Необходим для отвода тепла, выделяющегося при работе светодиодов.
  5. Драйвер. Формирует напряжение, требующееся для работы светодиодов.
  6. Корпус драйвера (лампы).
  7. Цоколь.

В пояснении нуждается только функциональное назначение драйвера. Светодиод – полупроводниковый прибор, излучающий свет при прохождении через него тока. Как и обычный диод, он проводит его только в одном направлении. При изменении полярности ток через него равен нулю. Как и у обычного диода, напряжение на выводах светодиода имеет величину, не превышающую нескольких вольт, и не изменяющуюся при повышении напряжения.

Поэтому при последовательном соединении светодиодов необходимая для работы величина напряжения подсчитывается умножением количества изделий на падение напряжения в прямом направлении тока через них. Его можно узнать из справочника или измерить. При подключении требуемого количества светодиодов к сети 220 В переменного тока нужно:

  • понизить напряжение до требуемой величины;
  • преобразовать из переменного в постоянное;
  • сгладить пульсации;
  • защитить драйвер и его нагрузку от замыканий;
  • защитить сеть от помех, образующихся при работе устройства.

Для понижения напряжения используются:

  • схемы с конденсатором;
  • схемы с понижающим трансформатором;
  • инверторные схемы.

Схемы с конденсатором используются в большинстве драйверов светодиодных ламп бытового применения. Они простые и дешевые, но это – их единственное достоинство. Функционально они похожи на схему с включением гасящего резистора последовательно с нагрузкой, на котором «падает» лишнее напряжение. Применение резистора нецелесообразно, так как на нем выделяется мощность, соизмеримая или большая, чем на самих светодиодах.

Конденсатор же на переменном токе выполняет ту же самую функцию – он тоже гасит напряжение. На схеме элементы C2. C3 и R1 предназначены для понижения напряжения до требуемой величины.

Схема простейшего драйвера светодиодной лампы

Недостаток такой схемы – зависимость напряжения на нагрузке от напряжения питающей сети. Ток через светодиоды нестабилен и иногда превышает допустимые значения. В этот момент возможен выход из строя диодов.

Второй недостаток — нет гальванической развязки с сетью. При ремонте ламп не прикасайтесь к токоведущим частям. Хоть напряжение на них и не опасное, но «фаза» питающей сети может приходить напрямую.

Трансформаторные схемы применяются в мощных светодиодных лампах, инверторные – при большом количестве светодиодов или при необходимости регулировки яркости (диммируемые лампы).

Для выпрямления переменного напряжения используется диодный мост VD1. а для сглаживания пульсаций – электролитический конденсатор С4 .

Резисторы R2 и R3 необходимы для ограничения тока в момент подачи напряжения на схему. Разряженный электролитический конденсатор имеет малое сопротивление и в первый момент времени ток через него большой. Он может вывести из строя полупроводниковые диоды выпрямителя. Дополнительно эти резисторы при коротких замыканиях играют роль предохранителей. Резистор R4 разряжает конденсатор после отключения от сети для скорейшего погасания лампы.

Детали R2. R3 и R4 некоторые производители не устанавливают. Конденсатор С1 нужен для предотвращения проникновения помех от работы лампы в питающую сеть.

Диагностика и замена светодиодов

Прежде, чем приступить к ремонту, снимают рассеиватель. Способы демонтажа различаются в зависимости от конструкции лампы. Большая часть рассеивателей снимается отверткой, для чего ею нужно его поддеть в нескольких местах, найдя слабое место.

Светодиоды нужно осматривают: черные точки на некоторых элементах говорят об их выходе из строя. Осматривается и качество пайки – оборвавшийся контакт в последовательной цепочке светодиодов прерывает цепь их питания. То же происходит и при выходе из строя любого из диодов.

Светодиодная лампа без рассеивателя

Исправность светодиодов проверяется мультиметром. Измеряется их сопротивление в прямом направлении. Оно должно быть небольшим, величина для сравнения определяется на исправных элементах. При проверке работоспособные диоды тускло светятся. Можно поверить светодиоды, подав на них напряжение от батарейки с напряжением 9 В через резистор сопротивлением 1 кОм.

Обнаруженные неисправные элементы выпаиваются из платы, и на месте их установки впаивается перемычка. При наличии лампы-донора светодиоды заменяют, или используют детали от светодиодной ленты с похожей конструкцией и характеристиками.

Выпаивают светодиоды аккуратно. Для этого сначала разогревают припой с одной стороны и удаляют его с помощью отсасывающих устройств. При их отсутствии после полного расплавления припоя на одном из выводов он удаляется путем энергичного встряхивания платы. Остатки удаляются чистым жалом (можно тоже предварительно его встряхнуть) с обильным количеством канифоли. Второй вывод отпаять уже проще.

После установки перемычки вместо диода вся лампа будет светиться тусклее. Это связано с тем, что общее сопротивление цепи хоть и незначительно, но уменьшится. Ток через лампу увеличится, в итоге на конденсаторе будет оставаться большее напряжение. При удалении одного-трех диодов это не скажется на работе лампы. Но когда их останется мало, то увеличение тока станет настолько ощутимым, что оставшиеся детали будут перегреваться, процесс выхода из строя приобретет лавинообразный характер. Поэтому при массовом характере поломки светодиодов оставьте лампу в качестве донора деталей, заменив ее новой.

Ремонт драйвера

Слабым местом драйверов являются токоограничивающие резисторы. Их проверяют в первую очередь. Заменить сгоревшие элементы можно такими же или ближайшими по величине сопротивления.

Проверка полупроводниковых диодов выпрямителя и конденсатора производится мультиметром в режиме проверки сопротивления. Однако есть более быстрый способ проверить исправность этого участка схемы. Для этого измеряется напряжение на конденсаторе фильтра. Ожидаемая величина подсчитывается путем умножения паспортного напряжения на одном диоде на их количество. Если измеренное напряжение не соответствует требуемому или равно нулю, поиск продолжается: проверяется конденсатор и диоды. Если напряжение в норме – ищите обрыв между светодиодами и драйвером.

Проверку диодов мультиметром можно провести, не выпаивая их из платы. Короткое замыкание в диоде или его обрыв будут видны. При замыкании прибор в обоих направлениях покажет ноль, при обрыве сопротивление в прямом направлении будет не соответствовать сопротивлению открытого p-n-перехода. Его вы узнаете на исправных элементах. Короткое замыкание в диодах дополнительно приводит к выходу из строя ограничительного резистора.

Виды драйверов светодиодных ламп

Ремонт трансформаторного драйвера немногим сложнее обычного. А вот с инверторным придется повозиться. Деталей в нем больше, а главное – в его состав всегда входит микросхема. Для того, чтобы сделать заключение о ее неисправности, понадобится либо изучит в деталях принцип работы драйвера, либо убедиться в исправности всех окружающих ее деталей.

Оцените качество статьи. Нам важно ваше мнение:

Ремонт светодиодных ламп — основные неисправности и способы их устранения своими руками

Сравнивая стоимость осветительных LED-приборов и аналогичных им по основным характеристикам лампочек накаливания, становится ясно, что соотношение точно не в пользу первых. Так стоит ли их сразу же выбрасывать? Тем, кто имеет под рукой простейший набор бытовых радио/инструментов и мультиметр, автор подскажет, как можно в домашних условиях, своими руками, восстановить работоспособность большинства представителей осветительных приборов класса «светодиодные лампы».

Конструкция светодиодных ламп

Представлены схематические изображения разных моделей, так как еще неизвестно, какую именно светодиодную лампу читателю придется ремонтировать своими руками. Но если внимательно присмотреться, то основные конструктивные элементы идентичны; некоторые отличия только в исполнении.

Зная, что и к чему присоединяется, несложно произвести разборку, а потом снова собрать лампу.

Принцип работы LED-приборов

Не понимая этого, осмысленный (а значит, эффективный) ремонт невозможен в принципе. Хотя бы потому, что он начинается с поиска неисправности, определения («вычисления») вышедшего из строя конструктивного элемента. Схемы светодиодных ламп от разных производителей могут несколько отличаться, но принципиальной разницы в их функционировании практически нет.

Собственно, в работе светодиодной лампы ничего особенного нет. Из схем понятно, что пром/напряжение (

220/50), подающееся на вход, преобразуется в постоянное (выпрямляется), и поступает на полупроводниковые приборы (светодиоды). Как результат – они начинают светиться.

Элементы C и R, включенные в параллель, образуют цепочку, предназначенную для сглаживания пульсаций и обеспечения саморазряда емкости при отключении питания. Еще одно сопротивление, которое бывает в некоторых схемах, играет роль токового ограничителя, так как светодиоды весьма чувствительны к такому параметру эл/цепи, как I. Зная это, несложно произвести полную «диагностику» лампы.

Рекомендуемый порядок поиска неисправности и ремонта

Проверка наличия и номинала промышленного напряжения

Автор понимает, что этот пункт кому-то покажется бессмысленным, даже несколько наивным и так далее. Но практика показывает, что нередко неисправность не в самой лампе, а в том осветительном приборе (устройстве), в котором она расположена. Перед тем, как начинать ее ремонт, стоит сначала убедиться в наличии напряжения на контактах патрона, их состоянии. Нагар, дефект «язычка» или, например, плохое соединение в эл/проводке – все это и может быть причиной того, что лампа при включении не светится.

На такую проверку понадобится всего пара минут, но почему-то не все соблюдают одно из основополагающих правил ремонта любого электротехнического устройства. Вкратце его можно сформулировать так – сначала убедись, что есть питание (и оно в норме), и только потом начинай «потрошить».

Разборка лампы

Все светодиодные модели отличаются корпусом, внутренней «начинкой», особенностями конструктивного исполнения. При разборке LED-прибора (равно, как и любого другого устройства, механизма) нужно соблюдать определенный порядок. Он заключается в том, что все отсоединенные (отвинченные, отпаянные) детали укладываются в ряд, слева направо. А вот сборка лампы производится в обратном порядке.

Такая методика – гарантия того, что все будет сделано правильно, и не останется «лишней детальки, неизвестно откуда взявшейся». Тем, кто привык все сваливать в кучу, автор предрекает некоторые сложности после окончания ремонта светодиодной лампы.

Начинать следует с демонтажа «купола». Когда он будет снят, дальнейший алгоритм действий станет понятен.

Нужно запомнить (записать, зарисовать) и то, как именно скрепляются детали друг с другом. Иногда такая невнимательность оборачивается проблемой при сборке светодиодной лампы.

Визуальный осмотр

Любая подгоревшая (оплавившаяся) деталь, какой-то сегмент на плате – явный признак неисправности. Как поступить? Кто умеет производить точечную пайку и имеет соответствующий инструмент, решает проблему просто – заменой детали. К примеру, если плата потемнела в области диодного моста, то «вычислить» неисправный полупроводник – простейшая задача. Второй вариант – приобрести панель драйвера и поменять.

Проверка радиодеталей на исправность

Это касается включенных в схему конденсаторов и резисторов. Ток утечки емкости определить сложнее, но выявить пробой можно и простейшим мультиметром. Сопротивления обычно подгорают, но иногда встречается и такая их визуально незаметная неисправность, как внутренний обрыв токопроводящего слоя. То же самое – «прослушать» измерительным прибором.

Выходят из строя и отдельные светодиоды

Это самый негативный вариант. Дело в том, что для нормальной работы лампы их нужно менять по принципу «один в один». Где взять исходные данные (по параметрам п/п прибора)? Плюс к этому – с учетом их плотной компоновки и «нежности» ножек перепаять несколько полупроводников без соответствующего опыта вряд ли получится. Как правило, если светодиоды вышли из строя в большом количестве, то проще купить новую LED-лампу. Неисправность же 3 – 5 штук «погоды не делает».

Как определить целостность светодиода? Обычной батарейкой типа «Крона», но через резистор номиналом порядка 150±50 Ом. Дело в том, что она на 9 В, а для п/п изделия требуется всего 1,5. При касании выводов прибора он должен (если исправен) засветиться.

Моргание (мигание) светодиодной лампы часто является причиной ее замены на новую. Торопиться не следует – такая неприятность довольно легко устраняется. Об этом подробно рассказывается здесь .

Собственно, вот и все, что можно сказать о ремонте светодиодных ламп своими руками. Если учесть, что ничего особо сложного в этом нет, а требуется лишь внимательность и аккуратность, не стоит прибор сразу же выбрасывать и тратить деньги на новый.

Рекомендовано для вас:

Как передать показания счетчика электроэнергии через интернет, телефон и терминал Почему генератор не дает зарядку на аккумулятор авто — причины и способы ремонта Скачки напряжения в электросети — основные причины и способы решения проблемы

Источники: http://samelectrik.ru/kak-samostoyatelno-pochinit-svetodiodnuyu-lampu.html, http://electric-tolk.ru/remont-svetodiodnyx-lamp-konstrukciya-sxema/, http://electroadvice.ru/working/remont-svetodiodnyx-lamp/

electricremont.ru

поиск неисправностей и их устранение

Несмотря на огромное разнообразие электрических осветительных приборов, высокая экономичность и максимально продолжительные сроки эксплуатации позволяют светодиодам существенно опережать конкурентов.

Именно такие источники света предпочитают сегодня жители многих стран мира, однако большой спрос порождает и массовое производство. Далеко не все изготовители относятся добросовестно к технологиям и рекомендациям, что приводит к быстрому перегоранию изделий. Постоянно покупать новые устройства — «себе дороже». В таких ситуациях и требуется ремонт светодиодных ламп своими руками.

Не стоит пугаться и моментально закрывать статью — прочитав информацию ниже, вы поймете, что с такой работой может справиться даже неквалифицированный человек без опыта работы. В сборе светодиодная лампа или светильник — дорогостоящее изделие, но по отдельности купить сгоревшую деталь не составит труда.

Устройство светодиодной лампы

Приступая к ремонту чего-либо, для начала следует тщательно изучить устройство и принцип работы оборудования. Независимо от внешнего вида и используемых светодиодов каждая лампа, включая филаментную, сконструирована по одной электрической схеме. Снимите корпус изделия и внутри увидите драйвер — электронную плату, к которой крепятся различные радиотехнические компоненты.

Любая LED-лампа функционирует по одному принципу. Напряжение питания поступает на контакты электрического патрона и передается на вывод обычного цоколя лампочки (E27 или другого формата). Таких выводов может быть несколько штук. К ним паяются два провода, по которым напряжение переходит на вход электронной платы. Драйвер преобразует переменное напряжение в постоянное, обычно понижая его, после чего передает на другую электронную плату со светодиодами.

Драйвер — электронный блок, генерирующий и преобразующий ток с напряжением в те значения, которых достаточно для работы светодиодов. В более дорогостоящих изделиях в целях защиты плата прячется под рассеивающим стеклом.

Простейшая схема устройства светодиодной лампы 220 В

Максимально простая схема для светодиодной лампы, подключаемой к сети 220 В, включает драйвер, состоящий из двух гасящих резисторов, стабилизирующих напряжение. Подключение LED-диодов происходит в разных направлениях, что гарантирует идеальную защиту от обратного напряжения. В таком случае частота мерцания увеличивается с 50 до 100 Гц.

К примеру, для подключения светодиодной ленты к цоколю припаиваются два провода. Концы этих проводов впоследствии соединяют с концами светодиодной ленты. Электрическая цепь плюсового провода включает конденсатор с параллельно подключенным резистором и проходит через положительную часть диодного моста, а цепь минусового провода — резистор и соединяется с отрицательной частью диодного моста. Между диодным мостом и светодиодной лентой устанавливают второй блок «конденсатор-резистор», подключаемый к обоим проводам.

Проще говоря, питающее напряжение проходит через ограничительный конденсатор и поступает на диодный мост, а оттуда — на светодиодные элементы. Заменив светодиод на выпрямительный диод, вы в два раза не увеличите, а понизите напряжение — с 50 до 25 Гц. При таком раскладе мерцание изделия станет чувствительным, вредным для зрительных органов, приводящим к быстрой утомляемости и мигреням.

Разборка светодиодной лампочки с герметиком

Далеко не все изделия легко и просто разобрать, не повреждая составных частей. Попробуйте повернуть верхнюю часть корпуса. Если ничего не получается, придется воспользоваться растворителем. Наберите некоторое количество растворителя в шприц и через иголку выдавите вдоль шва. Подождите около 5 – 10 минут, затем повторите операцию.

Проделайте действия не менее трех раз, затем начните поворачивать верхнюю часть корпуса в разные стороны, чтобы раскачать ее. Когда колба будет снята, очистите внутренние стенки, удалив герметик и обезжирив поверхности. Если устройство будет эксплуатироваться в помещении с невысоким уровнем влажности, герметик не накладывается.

Выявляем причину выхода из строя светодиодной лампочки

Срок эксплуатации любого изделия, включая светодиодные лампы, зависит от условий применения, соблюдения правил и рекомендаций, прописанных изготовителями.

Существует масса причин, из-за которых срок службы, указанный производителем, не соответствует действительности: применение некачественных кристаллов и неправильная оценка работоспособности, поскольку условия реальной эксплуатации практически всегда отличаются от потенциальных.

Перечислим главные причины выхода из строя светодиодных изделий:

  1. Скачки напряжения. Звучит странно, поскольку диодные лампы из всех осветительных приборов менее чувствительны к колебаниям электрических параметров. Любые изменения напряжения в худшую сторону влияют на функциональность устройства. Это менее заметно по сравнению с лампами накаливания, галогенками, экономками или КЛЛ, но имеет место быть.
  2. Просчеты при выборе светильника — выбор неподходящего плафона. Если конфигурация технически неверная, возрастает вероятность перегрева. И вновь нужно вспомнить о том, что в сравнении с остальными источниками света светодиодные лампы выделяют минимум тепла. Возгорания не произойдет, но повышение температуры на несколько градусов снизит долговечность устройства.
  3. Использование некачественных компонентов (кристаллов). Немногие производители применяют детали с хорошими технико-эксплуатационными характеристиками, что обусловлено желанием снизить себестоимость. В результате лампы быстрее выходят из строя.
  4. Технические ошибки, допущенные при построении электрической цепи системы освещения. К примеру, при подключении светодиодных ламп использовалась электропроводка с недостаточным сечением кабеля.
  5. Разнообразные внешние факторы, несмотря на повышенные прочностные характеристики устройств, спрятанных в пластиковой колбе. Сюда относятся вибрации, механические удары.

Чтобы продлить срок эксплуатации светодиодных ламп и повысить качество свечения, постарайтесь исключить или снизить до минимума влияние вышеперечисленных факторов. Доверьте прокладку электрической проводки мастерам, создайте максимально комфортные и приемлемые условия для использования изделий.

Хорошее устройство будет иметь ровные края. Не всегда получается оценить качество применяемых кристаллов, поэтому старайтесь покупать лампы в проверенных магазинах от брендовых производителей.

Другой вариант продления срока службы светодиодной лампочки — использование диммера, регулирующего световой поток. Важно заранее купить диммируемые устройства или самостоятельно выполнить модернизацию имеющихся. Диммер позволит понизить пусковой ток: чем меньше значение, тем лучше.

Ремонт

Светодиодную лампу можно отремонтировать независимо от причин выхода из строя. Чтобы это сделать, нужно разобрать изделие на части и добраться до начинки. Для начала удаляется рассеиватель, выполняющий несколько функций. Компонент либо крепится к базовой части через герметик, либо удерживается с помощью защелки. Если элемент будет поворачиваться отдельно от корпуса, для снятия достаточно в нужном месте надавить.

Выше было описано, что нужно делать, если рассеиватель надежно приклеен к корпусу. Добавим к применению растворителя возможность удаления корпуса при помощи тонкой отвертки: аккуратно подденьте, не прикладывая больших усилий.

Неремонтопригодны светодиодные лампы со стеклянными колбами, поскольку удалить подобный рассеиватель без повреждений практически нереально.

Замена блока питания

В комнатах с повышенным уровнем влажности используются осветительные приборы низкого напряжения — 12 или 24 В, которые подключаются к общей электрической сети 220 В. Для понижения высокого напряжения переменного тока до необходимых значений постоянного используются стабилизирующие блоки питания, которые могут выйти из строя.

Причиной поломки блока питания может стать повышенная нагрузка (если суммарная мощность используемых светильников превышает допустимую для стабилизатора) или неправильно подобранная степень защиты от проникновения пыли и влаги (IP). Чтобы починить данные изделия, следует обратиться в специализированные сервисные центры, поскольку в бытовых условиях восстановить их нереально (требуется определенное оборудование и знания радиоэлектроники). Единственный вариант — поменять блок питания.

Во время замены стабилизатора светодиодная лампа должна быть полностью отключена от сети питания — перерезаны провода или отключены клеммы. Не надейтесь исключительно на выключатель. Обязательно отключите напряжение через распределительный щиток квартиры.

Мощность для стабилизирующего блока питания должна быть выше суммарного значения подключаемых ламп. После отключения вышедшего из строя элемента подключите новый в соответствии с коммутирующей схемой. Найти ее можно в технической документации к оборудованию. Процесс максимально прост, поскольку провода имеют цветовую, а контакты — буквенную маркировки.

Степень защиты от пыли и влаги для ванной комнаты должна быть не менее IP45.

Замена светодиодов

Чтобы максимально упростить процедуру, воспользуйтесь паяльной станцией/феном. Паяльником действовать труднее, но можно.

Большинство устройств состоят из нескольких светодиодов, соединенных последовательно. Если выходит из строя хотя бы один, перестает работать целая группа или весь источник света. В таком случае, если под рукой нет подходящего светодиода, сгоревший можно заменить обычной перемычкой. Помните, что из-за перемычки лампа проработает недолго, но так можно выиграть немного времени на покупку нужного элемента. Чем меньше общее число светодиодов, тем быстрее лампа с перемычкой выйдет из строя.

В современных осветительных приборах используются SMD-диоды, которые могут быть выпаяны из ленты. При замене убедитесь, что купили деталь с идентичными техническими параметрами.

Ремонт драйвера

Если вышел из строя драйвер, изучите его конструкцию. Электронная плата может состоять из нескольких SMD-диодов, размер которых гораздо меньше, чем у жала паяльника. В таком случае нужно выбрать паяльник с медной проволокой на жале. Выполните выпаивание сгоревшего элемента и подберите подходящий по характеристикам или маркировке.

Когда видимых неисправностей не обнаружено, задача усложняется. Придется выпаивать каждую деталь отдельно и прозванивать ее. Как только будет найден сгоревший компонент, замените его на новый и верните все элементы на свои места. Для упрощения работы используйте пинцет.

Никогда не удаляйте с платы все детали разом. Вы можете не запомнить их правильное расположение и впоследствии перепутать. Действуйте следующим образом: выпаяйте один диод, проверьте его работоспособность, а затем верните на место. Повторите то же самое для остальных элементов.

Особенности ремонта лампы «кукуруза»

«Кукуруза» — одна из разновидностей светодиодных ламп, получившая название из-за своей формы и расположения полупроводников.

Обслуживать такие изделия проще простого! Светодиоды расположены сверху и ничем не защищены, поэтому при их замене необязательно разбирать устройство и лезть в его начинку.

Прозвоните каждый элемент отдельно и замените вышедшие из строя. Неисправный компонент может быть заменен обычной перемычкой. Наличие таковой незначительно снижает срок эксплуатации «кукурузы», но никак не влияет на стабильность и надежность устройства. Это актуально только для ламп данного типа!

Модернизация лампы в ходе ремонта

Параллельно ремонту ламп можно немного поэкспериментировать со светодиодами. Делается это по причине того, что одинаковые светодиоды (по типу и яркости) с разной цветовой температурой (теплым желтым и холодным белым свечением) отличаются по цене в 3 – 4 раза. Несмотря на это, покупные светодиоды с теплым свечением, считающиеся наиболее дорогими по сравнению с обычной лампой накаливания, имеют синеватый оттенок.

Более дешевые заводские лампы выпускаются без выпрямителя или сглаживающего конденсатора. Вы можете самостоятельно установить его в домашних условиях, используя обычный паяльник. Обычно элементы отсутствуют в китайских изделиях, производители которых просто соединяют пары светодиодов, подключенных в разных направлениях, и добавляют балластный конденсатор. Мерцание лампы усиливается в 2 – 3 раза, что негативно сказывается на здоровье человека.

Моргание и устранение их причин в светодиодной лампочке

Главная причина, по которой мерцают светодиодные лампочки, — использование слабого конденсатора или отсутствие такового. Проблема решается довольно просто — путем установки более мощного компонента. Если напряжение конденсатора будет составлять 102 В, а светодиодов — 180 В, значение первого должно быть повышено в 1,5 – 2 раза.

Установите аналогичный конденсатор, но уже большей емкости. Просто перепаяйте старый конденсатор, заменив его на новый. Другой выход — параллельно подключить второй конденсатор, чтобы увеличить суммарную емкость и мощность.

Заключение

Несмотря на постепенное снижение стоимости светодиодных ламп, их цена по-прежнему высока. Не каждому человеку по карману покупать постоянно качественную продукцию, но и дешевые изделия прослужат недолго.

В случае поломок не стоит торопиться с походом в магазин. Возможно, проблема не так страшна, как кажется, и вы обойдетесь банальной заменой блока питания или сгоревшего светодиода. Не забывайте о соблюдении правил и условий эксплуатации ламп, что обеспечит их долговечность.

Ремонт светодиодных ламп своими руками: поиск неисправностей и их устранение

220.guru